Product Summary
The FPC1011F1 is a new compact CMOS fingerprint sensor with several significant advantages. FPC1011F1 delivers superior image quality, with 256 gray scale values in every single pixel. The reflective measurement method sends an electrical signal via the frame directly into the finger. This technique enables the use of an unbeatably hard and thick protective surface coating. The sensor with its 3D pixel sensing technology can read virtually any finger; dry or wet. The applications of the FPC1011F1 are (1)Computer peripheral; (2)Physical access control; (3)Time and attendance; (4)Wireless devices; (5)Security application; (6)Medical equipment & storage.
Parametrics
FPC1011F1 absolute maximum ratings: (1)Supply voltage VDD: -0.5 V to +7.0 V ; (2)Input voltage: -0.5 V to VDD + 0.5 V ; (3)Output voltage: -0.5 V to VDD + 0.5 V ; (4)Total power dissipation: 50 mW ; (5)ESD on IOs: ±2 kV ; (6)Pressure on sensor1: 25 N.
Features
FPC1011F1 features: (1)Fingerprint area sensor; (2)NEW hard and scratch resistant protective surface coating; (3)Superior image quality; (4)3D image with 256 true gray scale values; (5)Ergonomic frame for optimized finger guidance; (6)High speed SPI interface; (7)Flex film connector; (8)3.3 and 2.5 volt operation; (9)>15kV ESD protection; (10)>1 million wear cycles.
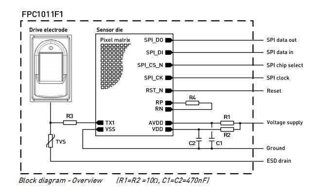
Diagrams

(Hong Kong)






