Product Summary
The CM400HA-24 is an IGBT module. The CM400HA-24 is designed for use in switching applications. Each module consists of one IGBT in a single configuration with a reverse-connected super- fast recovery free-wheel diode. All components and interconnects are isolated from the heat sinking baseplate, offering simplified system assembly and thermal management. Applications are (1)AC motor control; (2)Motion/servo control; (3)UPS; (4)Welding power supplies.
Parametrics
CM400HA-24 absolute maximum ratings: (1)Junction temperature Tj: -40 to 150 °C; (2)Storage temperature Tstg: -40 to 125 °C; (3)Collector-emitter voltage (G-E short)VCES: 1200 Volts; (4)Gate-emitter voltage (C-E short)VGES: ±20 Volts; (5)Collector current (Tc = 25°C)IC: 400 Amperes; (6)Peak collector current (Tj ≤ 150°C)ICM: 800 Amperes; (7)Emitter current (Tc = 25°C)IE: 400 Amperes; (8)Peak emitter current IEM: 800 Amperes; (9)Maximum collector dissipation (Tc = 25°C)Pc: 2800 Watts; (10)Mounting torque, M6 main terminal: 1.96 to 2.94 N · m; (11)Mounting torque, M6 mounting: 1.96 to 2.94 N · m; (12)Mounting torque, M4 terminal: 0.98 to 1.47 N · m; (13)Weight: 400 Grams; (14)Isolation voltage (main terminal to baseplate, AC 1 min.)Viso: 2500 Vrms.
Features
CM400HA-24 features: (1)Low drive power; (2)Low VCE(sat); (3)Discrete super-fast recovery free-wheel diode; (4)High frequency operation; (5)Isolated baseplate for easy heat sinking.
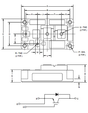
Diagrams

| Image | Part No | Mfg | Description | ![]() |
Pricing (USD) |
Quantity | ||||||||||||||||
|---|---|---|---|---|---|---|---|---|---|---|---|---|---|---|---|---|---|---|---|---|---|---|
![]() |
![]() CM400HA-24 |
![]() Other |
![]() |
![]() Data Sheet |
![]() Negotiable |
|
||||||||||||||||
![]() CM400HA-24A |
![]() |
![]() IGBT MOD SGL 1200V 400A A SERIES |
![]() Data Sheet |
![]()
|
|
|||||||||||||||||
![]() |
![]() CM400HA-24H |
![]() |
![]() IGBT MOD SGL 1200V 400A H SER |
![]() Data Sheet |
![]() Negotiable |
|
||||||||||||||||
(Hong Kong)









