Product Summary
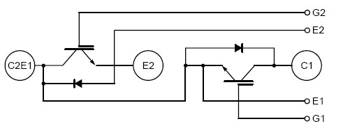
The CM300DU-24H is a Mitsubishi IGBT Module. The CM300DU-24H is designed for use in switching applications. Each module consists of two IGBTs in a half-bridge configuration with each transistor having a reverse-connected super-fast recovery free-wheel diode. All components and interconnects are isolated from the heat sinking baseplate, offering simplified system assembly and thermal management. The applications of the CM300DU-24H inlcude AC Motor Control, Motion/Servo Control, UPS, Welding Power Supplies.
Parametrics
CM300DU-24H absolute maximum ratings: (1)Junction Temperature Tj: -40 to 150℃; (2)Storage Temperature Tstg: -40 to 125℃; (3)Collector-Emitter Voltage (G-E SHORT) VCES: 1200 Volts; (4)Gate-Emitter Voltage (C-E SHORT) VGES: ±20 Volts; (5)Collector Current (Tc = 25℃) IC 300 Amperes; (6)Peak Collector Current (Tj≤50℃) ICM: 600Amperes; (7)Emitter Current (Tc = 25℃) IE: 300 Amperes; (8)Peak Emitter Current IEM 600Amperes; (9)Maximum Collector Dissipation (Tc = 25℃) Pc: 1130 Watts; (10)Weight: 580 Grams; (11)Isolation Voltage (Main Terminal to Baseplate, AC 1 min.) Viso: 2500 Vrms.
Features
CM300DU-24H features: (1)Low Drive Power; (2)Low VCE(sat); (3)Discrete Super-Fast Recovery Free-Wheel Diode; (4)High Frequency Operation; (5)Isolated Baseplate for Easy Heat Sinking.
Diagrams

| Image | Part No | Mfg | Description | ![]() |
Pricing (USD) |
Quantity | ||||||
|---|---|---|---|---|---|---|---|---|---|---|---|---|
![]() |
![]() CM300DU-24H |
![]() |
![]() IGBT MOD DUAL 1200V 300A U SER |
![]() Data Sheet |
![]()
|
|
||||||
| Image | Part No | Mfg | Description | ![]() |
Pricing (USD) |
Quantity | ||||||
![]() |
![]() CM3002 |
![]() Other |
![]() |
![]() Data Sheet |
![]() Negotiable |
|
||||||
![]() |
![]() CM300DU-12F |
![]() |
![]() IGBT MOD DUAL 600V 300A F SER |
![]() Data Sheet |
![]()
|
|
||||||
![]() |
![]() CM300DU-12H |
![]() |
![]() IGBT MOD DUAL 600V 300A U SER |
![]() Data Sheet |
![]()
|
|
||||||
![]() |
![]() CM300DU-12NFH |
![]() |
![]() IGBT MOD DUAL 600V 300A NFH SER |
![]() Data Sheet |
![]()
|
|
||||||
![]() |
![]() CM300DU-24F |
![]() |
![]() IGBT MOD DUAL 1200V 300A F SER |
![]() Data Sheet |
![]()
|
|
||||||
![]() |
![]() CM300DU-24H |
![]() |
![]() IGBT MOD DUAL 1200V 300A U SER |
![]() Data Sheet |
![]()
|
|
||||||
(Hong Kong)









