Product Summary
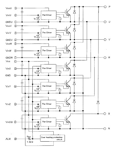
The 7MBP75RA060 is an IGBT module.
Parametrics
7MBP75RA060 absolute maximum ratings: (1)DC bus voltage VDC: 0 to 450V; (2)DC bus voltage (surge) VDC(surge): 0 to 500V; (3)DC bus voltage (short operating) VSC: 200 to 400V; (4)Collector-Emitter voltage VCES: 0 to 600V; (5)DB Reverse voltage VR: 0 to 600V; (6)Junction temperature Tj: 150℃; (7)Input voltage of power supply for Pre-Driver VCC: 0 to 20V; (8)Input signal voltage Vin: 0 to Vz V; (9)Input signal current lin: 1mA; (10)Alarm signal voltage VALM: 0 to VCC V; (11)Alarm signal current IALM: 15mA; (12)Storage temperature Tstg: -40 to 125℃; (13)Operating case temperature Top: -20 to 100℃; (14)Isolating voltage (Case-Terminal)Viso: AC2.5KV.
Features
7MBP75RA060 features: (1)Temperature protection provided by directly detecting the junction temperature of the IGBTs; (2)Low power loss and soft switching; (3)High performance and high reliability IGBT with overheating protection; (4)Higher reliability because of a big decrease in number of parts in built-in control circuit.
Diagrams

| Image | Part No | Mfg | Description | ![]() |
Pricing (USD) |
Quantity | ||||
|---|---|---|---|---|---|---|---|---|---|---|
![]() |
![]() 7MBP75RA060 |
![]() Other |
![]() |
![]() Data Sheet |
![]() Negotiable |
|
||||
| Image | Part No | Mfg | Description | ![]() |
Pricing (USD) |
Quantity | ||||
![]() |
![]() 7MBP100RA060 |
![]() Other |
![]() |
![]() Data Sheet |
![]() Negotiable |
|
||||
![]() |
![]() 7MBP100RTB060 |
![]() Other |
![]() |
![]() Data Sheet |
![]() Negotiable |
|
||||
![]() |
![]() 7MBP100TEA060 |
![]() Other |
![]() |
![]() Data Sheet |
![]() Negotiable |
|
||||
![]() |
![]() 7MBP150RA060 |
![]() Other |
![]() |
![]() Data Sheet |
![]() Negotiable |
|
||||
![]() |
![]() 7MBP150RTB060 |
![]() Other |
![]() |
![]() Data Sheet |
![]() Negotiable |
|
||||
![]() |
![]() 7MBP25RA120 |
![]() Other |
![]() |
![]() Data Sheet |
![]() Negotiable |
|
||||
(Hong Kong)









