Product Summary
The 2MBI400U2B-060A-50 is an IGBT module. The 2MBI400U2B-060A-50 applications include inverter for motor drive, AC and DC servo drive amplifier, uninterrupible power supply, industrial machines, such as welding machines.
Parametrics
2MBI400U2B-060A-50 absolute maximum ratings: (1)collector-emitter voltage: 650V; (2)gate-emitter voltage: ±20V; (3)collector current: 400A; (4)collector power dissipation: 1250W; (5)junction temperature: 150℃; (6)storage temperature: -40 to 125℃.
Features
2MBI400U2B-060A-50 features: (1)high speed swiching; (2)voltage drive; (3)low inductance module structure.
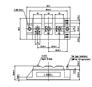
Diagrams

(Hong Kong)






