Product Summary
The HF3501/3508 is a flasher. The application of the HF3501/3508 includes Turn signal & Hazard warning lamp control.
Parametrics
HF3501/3508 absolute maximum ratings: (1)Nominal voltage: 12 VDC/ 24 VDC; (2)Operating voltage: 9 VDC to 16 VDC; (3)Nominal load: 2 × 21 W + 5 W; (4)flash frequency: (60 to 110)ops/ min; (5)Lamp failure flash frequency: (140 to 230)ops/ min; (6)Electrical endurance: 100 h; (7)Duty cycle: 30 % to 70 %; (8)Ambient temperature: -40 ℃ to 85 ℃; (9)Vibration resistance: 10 HZ to 200 HZ 49m/s; (10)Unit weight: Approx.40g; (11)Mechanical performance: 160 N min.
Features
HF3501/3508 features: (1)Special integrate circuit, good performance; (2)Special high-performance contacts, ultra-long Electrical endurance; (3)Including LED/ halogen lamp load; (4)Surface mounting technology, advaanced craftwork; (5)Solid base design, stable structure; (6)Ingress protection: IP52.
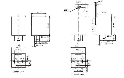
Diagrams

(Hong Kong)






