Product Summary
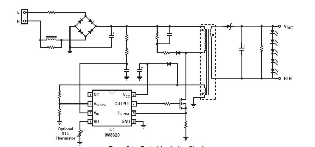
The iW3620 is a high performance AC/DC offline LED driver which uses digital control technology to build peak current mode PWM flyback power supplies. The device operates in quasi resonant mode at heavy load to provide high efficiency along with a number of key built in protection features while minimizing the external component count, simplifying EMI design and lowering the total bill of material cost. The iW3620 removes the need for secondary feedback circuitry while achieving excellent line and load regulation. It also eliminates the need for loop compensation components while maintaining stability over all operating conditions. Pulse by pulse waveform analysis allows for a loop response that is much faster than traditional solutions, resulting in improved dynamic load response. The built in current limit function enables optimized transformer design in universal off line applications over a wide input voltage range. The application is LED lighting.
Parametrics
iW3620 absolute maximum ratings: (1)DC supply voltage range (pin 8, ICC = 20mA max) VCC: -0.3 to 18V; (2)DC supply current at VCC pin ICC: 20mA; (3)Output (pin 7): -0.3 to 18V; (4)VSENSE input (pin 2): -0.5 to 4.0V; (5)VIN input (pin 3): -0.3 to 18V; (6)ISENSE input (pin 6): -0.3 to 18V; (7)SD input (pin 4): -0.3 to 18V; (8)Power dissipation at TA ≤ 25℃ PD: 526mW.
Features
iW3620 features: (1)ow start up current (10 uA typical); (2)Built in soft start; (3)Built in short circuit protection and output overvoltage protection; (4)Current sense resistor short protection; (5)Overtemperature Protection; (6)Open circuit protection; (7)Universal input range from 85 Vac to 264 Vac; (8)Single fault protection; (9)Small input bulk capacitor; (10)Long MTBF; (11)High efficiency.
Diagrams

(Hong Kong)






