Product Summary
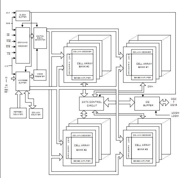
The W9812G6JH-6 is a high-speed synchronous dynamic random access memory (SDRAM). The W9812G6JH-6 organized as 2M words × 4 banks × 16 bits. The W9812G6JH-6 delivers a data bandwidth of up to 200M words per second (-5). To fully comply with the personal computer industrial standard, the W9812G6JH-6 is sorted into the following speed grades: -5, -6, -6I, -6A, -6L, -75 and 75L. The -5 grade parts is compliant to the 200MHz/CL3 specification. The -6 grade parts is compliant to the 166MHz/CL3 or 133MHz/CL2 specification. The -6I/-6A/-6L grade parts of the W9812G6JH-6 are compliant to the 166MHz/CL3 specification. The -75/75L of the W9812G6JH-6 is compliant to the 133MHz/CL3 specification. The -6L and 75L parts of the W9812G6JH-6 support self refresh current IDD6 max. 1.5 mA.
Parametrics
W9812G6JH-6 absolute maximum ratings: (1)Input, Output Voltage, VIN: -0.5 to VDD + 0.5 V; (2)Power Supply Voltage, VDD: -0.5 to 4.6 V; (3)Operating Temperature, TOPR: 0 to 70 ℃; (4)Storage Temperature, TSTG: -55 to 150 ℃; (5)Soldering Temperature (10s), TSOLDER: 260 ℃; (6)Power Dissipatio, PD: 1 W; (7)Short Circuit Output Current, IOUT: 50 mA.
Features
W9812G6JH-6 features: (1)3.3V ± 0.3V Power Supply; (2)Up to 200 MHz Clock Frequency; (3)2097152 Words × 4 Banks × 16 Bits Organization; (4)Self Refresh Mode: Standard and Low Power; (5)CAS Latency: 2 and 3; (6)Burst Length: 1, 2, 4, 8 and Full Page ; (7)Burst Read, Single Writes Mode; (8)Byte Data Controlled by LDQM, UDQM; (9)Power Down Mode; (10)Auto-precharge and Controlled Precharge; (11)4K Refresh Cycles/64 mS; (12)Interface: LVTTL; (13)Packaged in TSOP II 54-pin, 400 mil using Lead free materials with RoHS compliant.
Diagrams

| Image | Part No | Mfg | Description | ![]() |
Pricing (USD) |
Quantity | ||||||||||||||||||||||
|---|---|---|---|---|---|---|---|---|---|---|---|---|---|---|---|---|---|---|---|---|---|---|---|---|---|---|---|---|
![]() |
![]() W9812G6JH-6I |
![]() |
![]() IC SDRAM 128MBIT 54TSOPII |
![]() Data Sheet |
![]()
|
|
||||||||||||||||||||||
| Image | Part No | Mfg | Description | ![]() |
Pricing (USD) |
Quantity | ||||||||||||||||||||||
![]() |
![]() W981204AH |
![]() Other |
![]() |
![]() Data Sheet |
![]() Negotiable |
|
||||||||||||||||||||||
![]() |
![]() W981208AH |
![]() Other |
![]() |
![]() Data Sheet |
![]() Negotiable |
|
||||||||||||||||||||||
![]() |
![]() W981208BH |
![]() Other |
![]() |
![]() Data Sheet |
![]() Negotiable |
|
||||||||||||||||||||||
![]() |
![]() W981216AH |
![]() Other |
![]() |
![]() Data Sheet |
![]() Negotiable |
|
||||||||||||||||||||||
![]() |
![]() W981216BH |
![]() Other |
![]() |
![]() Data Sheet |
![]() Negotiable |
|
||||||||||||||||||||||
![]() |
![]() W9812G6IH-6 |
![]() |
![]() IC SDRAM 128MB 166MHZ 54-TSOPII |
![]() Data Sheet |
![]() Negotiable |
|
||||||||||||||||||||||
(Hong Kong)










