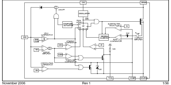
Product Summary
The VIPER53DIP-E is an OFF-line primary switch. The VIPER53DIP-E combines an enhanced current mode PWM controller with a high voltage MDMesh Power Mosfet in the same package. Typical applications cover offline power supplies with a secondary power capability ranging up to 30W in wide range input voltage, or 50W in single European voltage range and DIP-8 package, with the following benefits: Overload and short circuit controlled by feedback monitoring and delayed device reset; Efficient standby mode by enhanced pulse skipping; Primary regulation or secondary loop failure protection through high gain error amplifier.
Parametrics
VIPER53DIP-E absolute maximum ratings: (1)Continuous drain source voltage: -0.3 to 620 V; (2)Continuous drain current: Internally limited A; (3)Supply voltage: 0 to 19 V; (4)OSC input voltage range: 0 to VDD V; (5)COMP and TOVL input current range: -2 to 2 mA; (6)Junction operating temperature: Internally limited ℃; (7)Case operating temperature: -40 to 150 ℃; (8)Storage temperature: -55 to 150 ℃.
Features
VIPER53DIP-E features: (1)Switching frequency up to 300kHz; (2)Current limitation; (3)Current mode control with adjustable limitation; (4)Soft start and shut-down control; (5)Automatic burst mode in standby condition (“Blue Angel“ compliant ); (6)Under voltage lockout with Hysteresis; (7)High voltage star-tup current source; (8)Over temperature protection; (9)Overload and short-circuit control.
Diagrams

| Image | Part No | Mfg | Description | ![]() |
Pricing (USD) |
Quantity | ||||||||||||
|---|---|---|---|---|---|---|---|---|---|---|---|---|---|---|---|---|---|---|
![]() |
![]() VIPER53DIP-E |
![]() STMicroelectronics |
![]() Current Mode PWM Controllers 620 Volt 50W SMPS |
![]() Data Sheet |
![]()
|
|
||||||||||||
| Image | Part No | Mfg | Description | ![]() |
Pricing (USD) |
Quantity | ||||||||||||
![]() |
![]() Vipel® |
![]() Other |
![]() |
![]() Data Sheet |
![]() Negotiable |
|
||||||||||||
![]() |
![]() VIPER06HN |
![]() STMicroelectronics |
![]() Current Mode PWM Controllers VIPer 800V Plus Fixed Freq 115kHz |
![]() Data Sheet |
![]()
|
|
||||||||||||
![]() |
![]() VIPER06HS |
![]() |
![]() IC OFFLINE SWITCH PWM 10-SSOP |
![]() Data Sheet |
![]()
|
|
||||||||||||
![]() |
![]() VIPER06HSTR |
![]() STMicroelectronics |
![]() Current Mode PWM Controllers VIPer 800V Plus Fixed Freq 115kHz |
![]() Data Sheet |
![]()
|
|
||||||||||||
![]() |
![]() VIPER06LN |
![]() STMicroelectronics |
![]() Current Mode PWM Controllers VIPer 800V Plus Fixed Freq 60kHz |
![]() Data Sheet |
![]()
|
|
||||||||||||
![]() |
![]() VIPER06LS |
![]() |
![]() IC OFFLINE SWITCH PWM 10-SSOP |
![]() Data Sheet |
![]()
|
|
||||||||||||
(Hong Kong)










