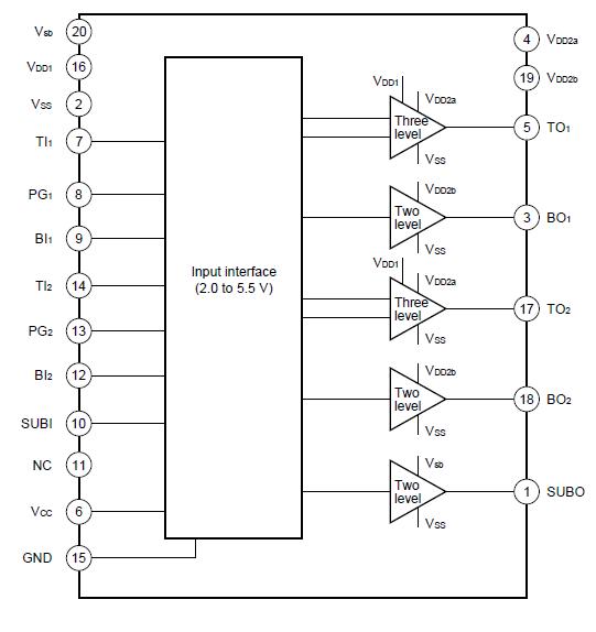
Product Summary
The UPD16510GR-8JG-E1 is a vertical driver dedicated for CCD area image sensors that incorporates a level conversion circuit and a three-level output function. It contains a CCD vertical register driver (4 channels) and a VOD shutter driver (1 channel). The UPD16510GR-8JG-E1, which uses the CMOS process, provides optimum transmission delay and output ON resistance characteristics for the vertical drive of CCD sensors. It can be used for low-voltage logic (logic power-supply voltage: 2.0 to 5.5 V). The applications of the UPD16510GR-8JG-E1 include Camcorders.
Parametrics
UPD16510GR-8JG-E1 absolute maximum ratings: (1)Power supply voltage VCC: VSS-0.3 to VSS+20.0 V; (2)Power supply voltage VDD1: VSS-0.3 to VSS+33.0 V; (3)Power supply voltage VDD2: VSS-0.3 to VSS+33.0 V; (4)Power supply voltage Vsb: VSS-0.3 to VSS+33.0 V; (5)Input voltage VI: VSS–0.3 to VCC+0.3 V; (6)Operating ambient temperature TA: -25 to +85℃; (7)Storage temperature, Tstg: -40 to +125℃; (8)Power dissipation, Pd: TA = 85℃, 260 mW.
Features
UPD16510GR-8JG-E1 features: (1)CCD vertical register driver: 4 channels, VOD shutter driver: 1 channel; (2)Small package: 20-pin plastic shrink SOP (225 mil); (3)High breakdown voltage: 33 V MAX.; (4)Low output ON resistance: 30 W TYP.; (5)Low voltage operation (logic power-supply voltage: 2.0 to 5.5 V); (6)Latch-up free; (7)Pin-compatible with mPD16506 (CCD driver).
Diagrams

(Hong Kong)






