Product Summary
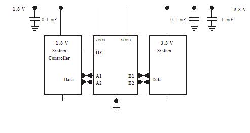
The TXS0102DCUR is a 2-bit noninverting translator uses two separate configurable power-supply rails. The A port is designed to track VCCA. VCCA accepts any supply voltage from 1.65 V to 3.6 V. The B port is designed to track VCCB. VCCA must be less than or equal to VCCB. VCCB accepts any supply voltage from 2.3 V to 5.5 V. The TXS0102DCUR allows for low-voltage bidirectional translation between any of the 1.8-V, 2.5-V, 3.3-V, and 5-V voltage nodes. When the output-enable (OE) input is low, all outputs are placed in the high-impedance state.
Parametrics
TXS0102DCUR absolute maximum ratings: (1)VCCA, Supply voltage range: -0.5 to 4.6V; (2)VCCB, Supply voltage range: -0.5 to 6.5V; (3)VI, Input voltage range, A port: -0.5 to 4.6V; VB port: -0.5 to 6.5V; (4)Voltage range applied to any output in the high-impedance or power-off state, Vo, A port: -0.5 to 4.6V; B port: -0.5 to 6.5V; (5)VO, Voltage range applied to any output in the high or low state, port: -0.5 to VCCA + 0.5V; VB port: -0.5 to VCCB + 0.5V; (6)IIK, Input clamp current, VI < 0: -50mA; (7)IO, KOutput clamp current, VO < 0: -50mA; (8)IO, Continuous output current: ±50mA; (9)Continuous current through VCCA, VCCB, or GND: ±100mA.
Features
TXS0102DCUR features: (1)Available in the Texas Instruments NanoStar and NanoFree Packages; (2)1.65 V to 3.6 V on A port and 2.3 V to 5.5 V on B port (V CCA ≤ VCCB ); (3)VCC Isolation Feature-If Either V CC Input Is at GND, Both Ports Are in the High-Impedance State ; (4)Ioff Supports Partial-Power-Down Mode Operation; (5)Latch-Up Performance Exceeds 100 mA Per JESD 78, Class II; (6)ESD Protection Exceeds JESD 22, A Port; 2500-V Human-Body Model (A114-B); 250-V Machine Model (A115-A); 1500-V Charged-Device Model (C101); B Port, 8-kV Human-Body Model (A114-B); 250-V Machine Model (A115-A); 1500-V Charged-Device Model (C101).
Diagrams

| Image | Part No | Mfg | Description | ![]() |
Pricing (USD) |
Quantity | ||||
|---|---|---|---|---|---|---|---|---|---|---|
![]() |
![]() TXS0102DCUR |
![]() Texas Instruments |
![]() Translation - Voltage Levels 2-Bit Bi-Directional Voltage-Level-Trans |
![]() Data Sheet |
![]() Negotiable |
|
||||
![]() |
![]() TXS0102DCURG4 |
![]() Texas Instruments |
![]() Translation - Voltage Levels 2B Bidir Vltg-Level Translator |
![]() Data Sheet |
![]() Negotiable |
|
||||
(Hong Kong)









