Product Summary
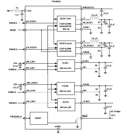
The TPS65053RGER is a 5-channel power mgmt IC. The TPS65053RGER is an integrated Power Management IC for applications powered by one Li-Ion or Li-Polymer cell, which require multiple power rails. The TPS65053RGER provides two highly efficient, 2.25MHz step-down converters targeted at providing the core voltage and I/O voltage in a processor based system. Both step-down converters enter a low power mode at light load for maximum efficiency across the widest possible range of load currents. For low noise applications the devices can be forced into fixed frequency PWM mode by pulling the MODE pin high. Both converters allow the use of small inductors and capacitors to achieve a small solution size. TPS65053RGER provides an output current of up to 1A on the DCDC1 converter and up to 0.6A on the DCDC2 converter. The TPS65053RGER also integrates one 400mA LDO and two 200mA LDO voltage regulators, which can be turned on/off using separate, enable pins on each LDO. Each LDO operates with an input voltage range between 1.5V and 6.5V allowing them to be supplied from one of the step-down converters or directly from the main battery. LDO1 and LDO2 are externally adjustable while LDO3 has a fixed output voltage of 1.3V. The applications of the TPS65053RGER include Cell Phones, Smart-Phones, WLAN, PDAs, Pocket PCs, GPS, Portable Media Players and Digital Cameras.
Parametrics
TPS65053RGER absolute maximum ratings: (1)Input voltage range on all pins except AGND, PGND, and EN_LDO1 pins with respect to: -0.3 V to 7 V; (2)Input voltage range on EN_LDO1 pin with respect to AGND: –0.3 V to VCC + 0.5 V; (3)Current at VINDCDC1/2, L1, PGND1, L2, PGND2: 1800 mA; (4)Current at all other pins: 1000 mA; (5)Operating free-air temperature: –40℃ to 85℃; (6)Maximum junction temperature: 125℃; (7)Storage temperature range: –65℃ to 150℃; (8)Lead temperature 1,6mm (1/16-inch) from case for 10 seconds: 260℃.
Features
TPS65053RGER features: (1)Up To 95% Efficiency; (2)DC/DC Converters Externally Adjustable; (3)2.25-MHz Fixed Frequency Operation; (4)Power Save Mode at Light Load Current; (5)180° Out-of-Phase Operation; (6)Output Voltage Accuracy in PWM mode ±1%; (7)100% Duty Cycle for Lowest Dropout; (8)One General-Purpose 400-mA LDO; (9)Two General-Purpose 200-mA LDOs; (10)VIN Range for LDOs from 1.5 V to 6.5 V.
Diagrams

| Image | Part No | Mfg | Description | ![]() |
Pricing (USD) |
Quantity | ||||||||||||
|---|---|---|---|---|---|---|---|---|---|---|---|---|---|---|---|---|---|---|
![]() |
![]() TPS65053RGER |
![]() Texas Instruments |
![]() PMIC Solutions 5-Ch Pwr Mgmt IC |
![]() Data Sheet |
![]()
|
|
||||||||||||
![]() |
![]() TPS65053RGERG4 |
![]() Texas Instruments |
![]() PMIC Solutions 5Ch Pwr Mgmt IC |
![]() Data Sheet |
![]()
|
|
||||||||||||
(Hong Kong)









