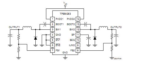
Product Summary
The TPS54286PWPR is a 2A dual non-synchronous converter with intergrated high-side mosfet. The TPS54286PWPR operates from a 4.5-V to 28-V input supply voltage, and require output voltages between 0.8 V and 90% of the input voltage. The outputs of the TPS54286PWPR may be enabled independently, or may be configured to allow either ratiometric or sequential startup sequencing.
Parametrics
TPS54286PWPR absolute maximum ratings: (1) PVDD1, PVDD2, EN1, EN2: 30V; (2) BOOT1, BOOT2: Vsw +7V; (3) SW1, SW2: -20 to 30V; (4) SW1, SW2 transient: -3 to 31V; (5) BP: 6.5V; (6) SEQ, ILIM2: -0.3 to 6.5V; (7) SW1, SW2 output current: 7A; (8) BP load current: 7A; (9) Storage temperature Tstg: -55 to +165°C; (10) Operating temperature Tj: -40 to +150°C; (11) Soldering temperature: +260°C.
Features
TPS54286PWPR features: (1) 4.5-V to 28-V Input Range; (2) Output Voltage Range 0.8 V to 90% of Input Voltage; (3) Output Current Up to 2A; (4) Two Fixed Switching Frequency Versions; (5) Two Selectable Levels of Overcurrent Protection (Output 2) ; (6) Internal Compensation; (7) Current Mode Control; (8) Pulse-by-Pulse Overcurrent Protection; (9) Thermal Shutdown Protection at 148°C; (10) 14-Pin PowerPAD HTSSOP package.
Diagrams

| Image | Part No | Mfg | Description | ![]() |
Pricing (USD) |
Quantity | ||||||||||||
|---|---|---|---|---|---|---|---|---|---|---|---|---|---|---|---|---|---|---|
![]() |
![]() TPS54286PWPR |
![]() Texas Instruments |
![]() DC/DC Switching Regulators 2A Dual Non-Synch Buck Conv |
![]() Data Sheet |
![]()
|
|
||||||||||||
![]() |
![]() TPS54286PWPRG4 |
![]() Texas Instruments |
![]() DC/DC Switching Regulators 2A Non-Synch Buck Converter |
![]() Data Sheet |
![]()
|
|
||||||||||||
(Hong Kong)









