Product Summary
The TPS51125RGER is a Step-Down Controller. The applications of the TPS51125RGER include Notebook Computers, I/O Supplies and System Power Supplies.
Parametrics
TPS51125RGER absolute maximum ratings: (1) Input voltage range: -0.3V to +6V; (2) Output voltage range: -0.3V to +6V; (3) Junction temperature range: -40 to 125℃; (4) Storage temperature: -55 to 150℃.
Features
TPS51125RGER features: (1)Wide Input Voltage Range: 5.5 V to 28 V; (2)Output Voltage Range: 2 V to 5.5 V; (3)Built-in 100-mA 5-V/3.3-V LDO with Switches; (4)Built-in 1% 2-V Reference Output; (5)Internal 1.6-ms Voltage Servo Softstart; (6)4500 ppm/℃ RDS(on) Current Sensing; (7)Built-In Output Discharge; (8)Power Good Output; (9)Built-in OVP/UVP/OCP; (10)Thermal Shutdown (Non-latch); (11)QFN24 (RGE).
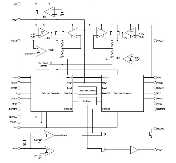
Diagrams

| Image | Part No | Mfg | Description | ![]() |
Pricing (USD) |
Quantity | ||||||||||||
|---|---|---|---|---|---|---|---|---|---|---|---|---|---|---|---|---|---|---|
![]() |
![]() TPS51125RGER |
![]() Texas Instruments |
![]() DC/DC Switching Controllers Dual-Synch Step- Down Controller |
![]() Data Sheet |
![]()
|
|
||||||||||||
![]() |
![]() TPS51125RGERG4 |
![]() Texas Instruments |
![]() DC/DC Switching Controllers Dual-Synch Step- Down Cntrlr |
![]() Data Sheet |
![]()
|
|
||||||||||||
(Hong Kong)









