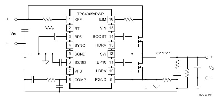
Product Summary
The TPS40055PWPR is a high-voltage, wide input (8 V to 40 V), synchronous, step-down controller. The TPS40055PWPR offers design flexibility with a variety of user-programmable functions, including soft-start, UVLO, operating frequency, voltage feed forward, high-side current limit, and loop compensation. The TPS40055PWPR uses voltage feed-forward control techniques to provide good line regulation over the wide (4:1) input voltage range, and fast response to input line transients. The applications of the TPS40055PWPR include Power Modules, Networking/Telecom, and Industrial/Servers.
Parametrics
TPS40055PWPR absolute maximum ratings: (1)VFB, SS/SD, SYNC: –0.3 to 6V; (2)VIN, SW: –0.3 to 45V; (3)VIN Input voltage range SW, transient< 50 ns: –2.5V; (4)SW, transient<50 ns, VVIN<14 V: –5.0V; (5)KFF, with IIN(max) = – 5 mA: –0.3 to 11V; (6)VO rOauntgpeut voltage KCFOFMP, RT, SS/SD: –0.3 to 6V; (7)IO Output current RT: 200μA; (8)TJ Maximum junction temperature (2): 150℃; (9)TJ Operating junction temperature range: –40 to 125℃; (10)Tstg Storage temperature: –55 to 150℃.
Features
TPS40055PWPR features: (1)Operating Input Voltage 8 V to 40 V; (2)Input Voltage Feed-Forward Compensation; (3)<1 % Internal 0.7-V Reference; (4)Programmable Fixed-Frequency Up to 1-MHz Voltage Mode Controller; (5)Internal Gate Drive Outputs for High-Side and Synchronous N-Channel MOSFETs; (6)16-Pin PowerPAD. Package (θJC = 2℃/W); (7)Thermal Shutdown; (8)Externally Synchronizable; (9)Programmable High-Side Sense Short-Circuit Protection; (10)Programmable Closed-Loop Soft-Start.
Diagrams

| Image | Part No | Mfg | Description | ![]() |
Pricing (USD) |
Quantity | ||||||||||||
|---|---|---|---|---|---|---|---|---|---|---|---|---|---|---|---|---|---|---|
![]() |
![]() TPS40055PWPR |
![]() Texas Instruments |
![]() DC/DC Switching Controllers Wide Input Sync Buck Cntrlr source/sink |
![]() Data Sheet |
![]()
|
|
||||||||||||
![]() |
![]() TPS40055PWPRG4 |
![]() Texas Instruments |
![]() DC/DC Switching Controllers Wide Input Sync Buck Cntrlr source/sink |
![]() Data Sheet |
![]()
|
|
||||||||||||
(Hong Kong)









