Product Summary
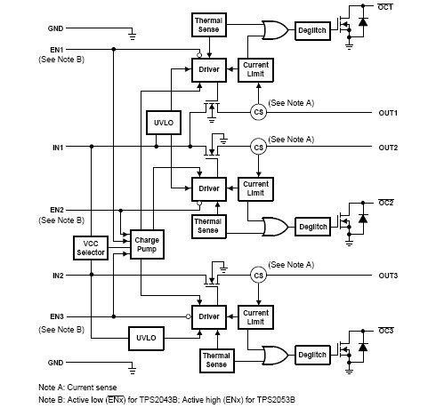
The TPS2052BDR is a power-distribution switch. The TPS2052BDR is intended for applications where heavy capacitive loads and short circuits are likely to be encountered. The TPS2052BDR incorporates 70-mW N-channel MOSFET power switches for power-distribution systems that require multiple power switches in a single package. Each switch is controlled by a logic enable input. Gate drive is provided by an internal charge pump designed to control the power-switch rise times and fall times to minimize current surges during switching. The charge pump requires no external components and allows operation from supplies as low as 2.7 V. When the output load exceeds the current-limit threshold or a short is present, the device limits the output current to a safe level by switching into a constant-current mode, pulling the over current (OCx) logic output low. When continuous heavy overloads and short-circuits increase the power dissipation in the switch, causing the junction temperature to rise, a thermal protection circuit shuts off the switch to prevent damage. Recovery from a thermal shutdown is automatic once the device has cooled sufficiently. Internal circuitry ensures that the switch remains off until valid input voltage is present. This power-distribution switch is designed to set current limit at 1 A typically. The applications of the TPS2052BDR include Heavy Capacitive Loads and Short-Circuit Protections.
Parametrics
TPS2052BDR absolute maximum ratings: (1)Input voltage range: -0.3 V to 6 V; (2)Output voltage range: -0.3 V to 6 V; (3)Input voltage range: -0.3 V to 6 V; (4)Continuous output current: Internally limited; (5)Operating virtual junction temperature range: -40℃ to 125℃; (6)Storage temperature range: -65℃ to 150℃.
Features
TPS2052BDR features: (1)70-mW High-Side MOSFET; (2)500-mA Continuous Current; (3)Thermal and Short-Circuit Protection; (4)Operating Range: 2.7 V to 5.5 V; (5)0.6-ms Typical Rise Time; (6)Under voltage Lockout; (7)Deglitched Fault Report (OC); (8)No OC Glitch During Power Up; (9)Maximum Standby Supply Current: 1-μA (Single, Dual) or 2-μA (Triple, Quad); (10)Bidirectional Switch; (11)Ambient Temperature Range: -40℃ to 85℃; (12)ESD Protection; (13)UL Recognized, File Number E169910.
Diagrams

| Image | Part No | Mfg | Description | ![]() |
Pricing (USD) |
Quantity | ||||||||||||
|---|---|---|---|---|---|---|---|---|---|---|---|---|---|---|---|---|---|---|
![]() |
![]() TPS2052BDR |
![]() Texas Instruments |
![]() Power Switch ICs - USB Current-Limited |
![]() Data Sheet |
![]()
|
|
||||||||||||
![]() |
![]() TPS2052BDRBR |
![]() Texas Instruments |
![]() Power Switch ICs - USB Crnt-Ltd,Pwr-Dist Sw |
![]() Data Sheet |
![]()
|
|
||||||||||||
![]() |
![]() TPS2052BDRBT |
![]() Texas Instruments |
![]() Power Switch ICs - USB Crnt-Ltd,Pwr-Dist Sw |
![]() Data Sheet |
![]()
|
|
||||||||||||
![]() |
![]() TPS2052BDRG4 |
![]() Texas Instruments |
![]() Power Switch ICs - USB Current-Limited |
![]() Data Sheet |
![]()
|
|
||||||||||||
(Hong Kong)









