Product Summary
The TPCA8024-H is a Silicon N Channel MOS Type transistor.
Parametrics
TPCA8024-H absolute maximum ratings: (1)Drain-source voltage, VDSS: 30 V; (2)Drain-gate voltage (RGS = 20 kΩ), VDGR: 30 V; (3)Gate-source voltage VGSS: ±20 V; (4)Drain current, DC (Note 1) ID: 38A; Pulsed (Note 1) IDP: 114A; (5)Drain power dissipation (Tc=25℃), PD: 45 W; (6)Drain power dissipation (t = 10 s), PD: 2.8 W; (7)Drain power dissipation (t = 10 s), PD: 1.6 W; (8)Single pulse avalanche energy, EAS: 188 mJ; (9)Avalanche current IAR: 38 A; (10)Repetitive avalanche energy(Tc=25℃), EAR: 0.18 mJ; (11)Channel temperature, Tch: 150℃; (12)Storage temperature range, Tstg: -55 to 150℃.
Features
TPCA8024-H features: (1)Small footprint due to a small and thin package; (2)Low drain-source ON-resistance: RDS (ON) = 3.5 mΩ(typ.); (3)High forward transfer admittance: |Yfs| = 72 S (typ.); (4)Low leakage current: IDSS = 10μA (max) (VDS = 30 V); (5)Enhancement mode: Vth = 1.3 to 2.5 V (VDS = 10 V, ID = 1 mA).
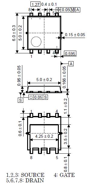
Diagrams

(Hong Kong)






