Product Summary
The TPCA8021-H is a High Efficiency DC/DC Converter.
Parametrics
TPCA8021-H absolute maximum ratings: (1)Drain-source voltage, VDSS: 30 V; (2)Drain-gate voltage (RGS = 20 kΩ), VDGR: 30 V; (3)Gate-source voltage VGSS: ±20 V; (4)Drain current, DC (Note 1) ID: 27A; Pulsed (Note 1) IDP: 81A; (5)Drain power dissipation (Tc=25℃), PD: 45 W; (6)Drain power dissipation (t = 10 s), PD: 2.8 W; (7)Drain power dissipation (t = 10 s), PD: 1.6 W; (8)Single pulse avalanche energy, EAS: 95 mJ; (9)Avalanche current IAR: 27 A; (10)Repetitive avalanche energy(Tc=25℃), EAR: 2.7 mJ; (11)Channel temperature, Tch: 150℃; (12)Storage temperature range, Tstg: -55 to 150℃.
Features
TPCA8021-H features: (1)Small footprint due to a small and thin package; (2)High speed switching; (3)Small gate charge: QSW = 6.9nC (typ.); (4)Low drain-source ON-resistance: RDS (ON) = 6.8 mΩ(typ.); (5)High forward transfer admittance: |Yfs| =46 S (typ.); (6)Low leakage current: IDSS = 10μA (max) (VDS = 30 V); (7)Enhancement mode: Vth = 1.1 to 2.3 V (VDS = 10 V, ID = 1 mA).
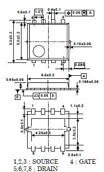
Diagrams

| Image | Part No | Mfg | Description | ![]() |
Pricing (USD) |
Quantity | ||||
|---|---|---|---|---|---|---|---|---|---|---|
![]() |
![]() TPCA8021-H(TE12LQM |
![]() Toshiba |
![]() MOSFET MOSFET N-Ch 30V 27A Rdson=0.009Ohm |
![]() Data Sheet |
![]() Negotiable |
|
||||
| Image | Part No | Mfg | Description | ![]() |
Pricing (USD) |
Quantity | ||||
![]() |
![]() TPCA8003-H |
![]() Other |
![]() |
![]() Data Sheet |
![]() Negotiable |
|
||||
![]() |
![]() TPCA8003-H(TE12L,Q |
![]() |
![]() MOSFET N-CH 30V 35A 8-SOPA |
![]() Data Sheet |
![]() Negotiable |
|
||||
![]() |
![]() TPCA8003-H(TE12LQM |
![]() Toshiba |
![]() MOSFET PW TR N-Ch 30V 40A 45W 5.1mOhms |
![]() Data Sheet |
![]() Negotiable |
|
||||
![]() |
![]() TPCA8004-H |
![]() Other |
![]() |
![]() Data Sheet |
![]() Negotiable |
|
||||
![]() |
![]() TPCA8004-H(TE12LQM |
![]() Toshiba |
![]() MOSFET Promotions N-Ch 30V 40A 45W 3.5mOhms |
![]() Data Sheet |
![]() Negotiable |
|
||||
![]() |
![]() TPCA8005-H |
![]() Other |
![]() |
![]() Data Sheet |
![]() Negotiable |
|
||||
(Hong Kong)










