Product Summary
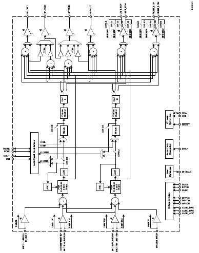
The TLV320AIC3104IRHBR is a Low-power stereo audio codec. The TLV320AIC3104 is a low-power stereo audio codec with stereo headphone amplifier, as well as multiple inputs and outputs that are programmable in single-ended or fully differential configurations. Extensive register-based power control is included, enabling stereo 48-kHz DAC playback as low as 14 mW from a 3.3-V analog supply, making it ideal for portable battery-powered audio and telephony applications.
Parametrics
TLV320AIC3104IRHBR absolute maximum ratings: (1)AVDD to AVSS, DRVDD to DRVSS: –0.3 to 3.9 V; (2)AVDD to DRVSS: –0.3 to 3.9 V; (3)IOVDD to DVSS: –0.3 to 3.9 V; (4)DVDD to DVSS: –0.3 to 2.5 V; (5)AVDD to DRVDD: –0.1 to 0.1 V; (6)Digital input voltage to DVSS: –0.3 to IOVDD + 0.3 V; (7)Analog input voltage to AVSS: –0.3 to AVDD + 0.3 V; (8)Operating temperature range: –40 to 85 ℃; (9)Storage temperature range: –65 to 105 ℃; (10)TJ Max Junction temperature: 105 ℃.
Features
TLV320AIC3104IRHBR features: (1)Low Power: 14-mW Stereo 48-kHz Playback With 3.3-V Analog Supply ; (2)Ultralow-Power Mode with Passive Analog Bypass; (3)Programmable Input/Output Analog Gains ; (4)Automatic Gain Control (AGC) for Record drivers; (5)Programmable Microphone Bias Level ; (6)Programmable PLL for Flexible Clock Generation ; (7)I2C Control Bus A; (8)Extensive Modular Power Control.
Diagrams

| Image | Part No | Mfg | Description | ![]() |
Pricing (USD) |
Quantity | ||||||||||||||
|---|---|---|---|---|---|---|---|---|---|---|---|---|---|---|---|---|---|---|---|---|
![]() |
![]() TLV320AIC3104IRHBR |
![]() Texas Instruments |
![]() Audio CODECs Lo-Pwr Stereo CODEC |
![]() Data Sheet |
![]()
|
|
||||||||||||||
| Image | Part No | Mfg | Description | ![]() |
Pricing (USD) |
Quantity | ||||||||||||||
![]() |
![]() TLV3011 |
![]() Other |
![]() |
![]() Data Sheet |
![]() Negotiable |
|
||||||||||||||
![]() |
![]() TLV3011AIDBVR |
![]() Texas Instruments |
![]() Comparator ICs Low Power Open Drain Output |
![]() Data Sheet |
![]()
|
|
||||||||||||||
![]() |
![]() TLV3011AIDBVRG4 |
![]() Texas Instruments |
![]() Comparator ICs Lo Pwr Open Drain Output Comparator |
![]() Data Sheet |
![]()
|
|
||||||||||||||
![]() |
![]() TLV3011AIDBVT |
![]() Texas Instruments |
![]() Comparator ICs Low Power Open Drain Output |
![]() Data Sheet |
![]()
|
|
||||||||||||||
![]() |
![]() TLV3011AIDBVTG4 |
![]() Texas Instruments |
![]() Comparator ICs Low Power Open Drain Output |
![]() Data Sheet |
![]()
|
|
||||||||||||||
![]() |
![]() TLV3011AIDCKR |
![]() Texas Instruments |
![]() Comparator ICs Low Power Open Drain Output |
![]() Data Sheet |
![]()
|
|
||||||||||||||
(Hong Kong)










