Product Summary
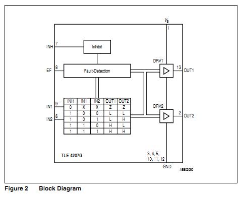
The TLE4207G is a protected Dual-Half-Bridge-Driver designed specially for automotive and industrial motion control applications. The TLE4207G is built using the Infineon bipolar high voltage power technology DOPL. The actuator (DC motor) can be connected direct between the halfbridges. Operation modes forward (cw), reverse (ccw), brake and high impedance are invoked from a standard interface. The standard enhanced power PG-DSO-14-22 package of the TLE4207G meets the application requirements and saves PCB-board space and costs.
Parametrics
TLE4207G absolute maximum ratings: (1)Supply voltage, VS: –0.3 to 45 V; (2)Supply voltage, VS: –1V; (3)Logic input voltages (IN1; IN2; INH), VI:–5 to 20 V; (4)Logic output voltage (EF), VEF: –0.3 to 20 V.
Features
TLE4207G features: (1)Delivers up to 0.8 A continuous; (2)Optimized for DC motor management applications; (3)Very low current consumption in stand-by (Inhibit) mode; (4)Low saturation voltage; typ.1.2 V total @ 25℃; 0.4 A; (5)Output protected against short circuit; (6)Error flag diagnosis; (7)Overvoltage lockout and diagnosis; (8)Undervoltage lockout; (9)CMOS/TTL compatible inputs with hysteresis; (10)No crossover current; (11)Internal clamp diodes; (12)Overtemperature protection with hysteresis and diagnosis; (13)Enhanced power PG-DSO-Package; (14)Green Product (RoHS compliant); (15)AEC Qualified.
Diagrams

| Image | Part No | Mfg | Description | ![]() |
Pricing (USD) |
Quantity | ||||||||||||
|---|---|---|---|---|---|---|---|---|---|---|---|---|---|---|---|---|---|---|
![]() |
![]() TLE4207G |
![]() Infineon Technologies |
![]() Motor / Motion / Ignition Controllers & Drivers 1A Dual Half-Bridge- Driver |
![]() Data Sheet |
![]()
|
|
||||||||||||
| Image | Part No | Mfg | Description | ![]() |
Pricing (USD) |
Quantity | ||||||||||||
![]() |
![]() TLE4117 |
![]() Other |
![]() |
![]() Data Sheet |
![]() Negotiable |
|
||||||||||||
![]() |
![]() TLE4203 |
![]() Other |
![]() |
![]() Data Sheet |
![]() Negotiable |
|
||||||||||||
![]() |
![]() TLE4203G |
![]() Other |
![]() |
![]() Data Sheet |
![]() Negotiable |
|
||||||||||||
![]() |
![]() TLE4205 |
![]() Infineon Technologies |
![]() Motor / Motion / Ignition Controllers & Drivers 1-A DC Motor Driver |
![]() Data Sheet |
![]() Negotiable |
|
||||||||||||
![]() |
![]() TLE4205G |
![]() Infineon Technologies |
![]() Motor / Motion / Ignition Controllers & Drivers 1-A DC Motor Driver |
![]() Data Sheet |
![]()
|
|
||||||||||||
![]() |
![]() TLE4206 |
![]() Other |
![]() |
![]() Data Sheet |
![]() Negotiable |
|
||||||||||||
(Hong Kong)










