Product Summary
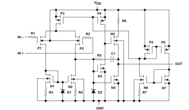
The TLC27M2CDR is a dual operational amplifier which combines a wide range of input offset voltage grades with low offset voltage drift, high input impedance, low noise, and speeds approaching that of general-purpose bipolar devices.These devices use Texas Instruments silicon-gate LinCMOS technology, which provides offset voltage stability far exceeding the stability available with conventional metal-gate processes. A wide range of packaging options is available, including small-outline and chip-carrier versions for high-density system applications.
Parametrics
TLC27M2CDR absolute maximum ratings: (1)Supply voltage: 18 V; (2)Differential input voltage: ±VDD; (3)Input voltage range: -0.3 V to VDD; (4)Input current: ±5 mA; (5)Output current, IO (each output): ±30 mA; (6)Total current into VDD: 45 mA; (7)Total current out of GND: 45 mA; (8)Storage temperature range: -65 to 150℃; (9)Case temperature for 60 seconds: FK package: 260℃; (10)Lead temperature 1,6 mm (1/16 inch) from case for 10 seconds-D or P package: 260℃; (11)Lead temperature 1,6 mm (1/16 inch) from case for 60 seconds-JG package: 300℃.
Features
TLC27M2CDR features: (1)Trimmed Offset Voltage; (2)Input Offset Voltage Drift; (3)Wide Range of Supply Voltages Over Specified Temperature Ranges; (4)Single-Supply Operation; (5)Common-Mode Input Voltage Range Extends Below the Negative Rail; (6)Output Voltage Range Includes Negative Rail; (7)High Input impedance; (8)ESD-Protection Circuitry; (9)Small-Outline Package Option Also Available in Tape and Reel; (10)Designed-In Latch-Up Immunity.
Diagrams

| Image | Part No | Mfg | Description | ![]() |
Pricing (USD) |
Quantity | ||||||||||||
|---|---|---|---|---|---|---|---|---|---|---|---|---|---|---|---|---|---|---|
![]() |
![]() TLC27M2CDR |
![]() Texas Instruments |
![]() Operational Amplifiers - Op Amps Dual Prec Op Amp |
![]() Data Sheet |
![]()
|
|
||||||||||||
![]() |
![]() TLC27M2CDRG4 |
![]() Texas Instruments |
![]() Operational Amplifiers - Op Amps Dual Precision Lo-Pwr Single Supply |
![]() Data Sheet |
![]()
|
|
||||||||||||
(Hong Kong)









