Product Summary
The TLC2272IDR is a dual and quadruple operational amplifier from Texas Instruments. It exhibits rail-to-rail output performance for increased dynamic range in single- or split supply applications. The device offers 2 MHz of bandwidth and 3 V/μs of slew rate for higher speed applications. The TLC2272IDR offers comparable ac performance while having better noise, input offset voltage, and power dissipation than existing CMOS operational amplifiers.
Parametrics
TLC2272IDR absolute maxing ratings: (1)Supply voltage, VDD+: 8 V; (2)Supply voltage, VDD-: -8 V; (3)Differential input voltage, VID: ±16 V; (4)Input voltage range, VI: VDD--0.3 V to VDD+; (5)Input current, II (any input): ±5 mA; (6)Output current, IO: ±50 mA; (7)Total current into VDD+: ±50 mA; (8)Total current out of VDD-: ±50 mA; (9)Storage temperature range: -65℃ to 150℃; (10)Lead temperature 1,6 mm (1/16 inch) from case for 10 seconds: D, N, P or PW package: 260℃; (11)Lead temperature 1,6 mm (1/16 inch) from case for 60 seconds: J or U package: 300℃.
Features
TLC2272IDR features: (1)Output Swing Includes Both Supply Rails; (2)Low Noise: 9 nV/√Hz ̄ Typ at f = 1 kHz; (3)Low Input Bias Current: 1 pA Typ; (4)Fully Specified for Both Single-Supply and Split-Supply Operation; (5)Common-Mode Input Voltage Range Includes Negative Rail; (6)High-Gain Bandwidth: 2.2 MHz Typ; (7)High Slew Rate: 3.6 V/μs Typ; (8)Low Input Offset Voltage 950μV Max at TA = 25℃; (9)Macromodel Included.
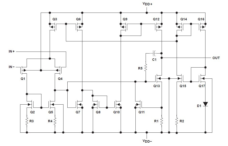
Diagrams

| Image | Part No | Mfg | Description | ![]() |
Pricing (USD) |
Quantity | ||||||||||||
|---|---|---|---|---|---|---|---|---|---|---|---|---|---|---|---|---|---|---|
![]() |
![]() TLC2272IDR |
![]() Texas Instruments |
![]() Operational Amplifiers - Op Amps Dual Lo-Noise R-To-R Op Amp |
![]() Data Sheet |
![]()
|
|
||||||||||||
![]() |
![]() TLC2272IDRG4 |
![]() Texas Instruments |
![]() Operational Amplifiers - Op Amps Dual Lo-Noise R-To-R Op Amp |
![]() Data Sheet |
![]()
|
|
||||||||||||
(Hong Kong)









