Product Summary
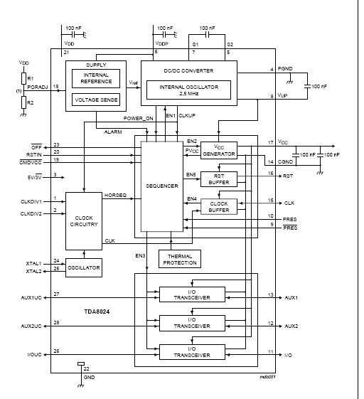
The TDA8024T/C1 is a complete and cost-efficient analog interface for asynchronous 3 or 5 V smart cards. It can be placed between the card and the microcontroller to perform all supply, protection and control functions. Very few external components are required. The TDA8024T/C1 is a direct replacement for the TDA8004AT. The applications of the TDA8024T/C1 include IC card readers for banking, Electronic payment, Identification, Pay TV.
Parametrics
TDA8024T/C1 absolute maximum ratings: (1)VDD supply voltage: -0.3 to +6.5 V; (2)VDDP DC/DC converter supply voltage: -0.3 to +6.5 V; (3)VI, VO voltage on input and output pins: -0.3 to 6.5V; (4)Vcard voltage on card pins: -0.3 to 6.5V; (5)voltage on other pins pins VUP, S1 and S2: -0.3 +6.5 V; (6)Tj(max) maximum junction temperature: 150℃; (7)Tstg storage temperature: -55 to +150℃.
Features
TDA8024T/C1 features: (1)IC card interface; (2)3 or 5 V supply for the IC (VDD and GND); (3)Three specifically protected half-duplex bidirectional buffered I/O lines to card contacts C4, C7 and C8; (4)DC/DC converter for VCC generation separately powered from a 5 V ± 20% supply (VDDP and PGND); (5)Thermal and short-circuit protection on all card contacts; (6)Enhanced ESD protection on card side (>6 kV); (7)26 MHz integrated crystal oscillator; (8)Non-inverted control of RST via pin RSTIN; (9)Built-in debounce on card presence contacts.
Diagrams

| Image | Part No | Mfg | Description | ![]() |
Pricing (USD) |
Quantity | ||||||||||||
|---|---|---|---|---|---|---|---|---|---|---|---|---|---|---|---|---|---|---|
![]() |
![]() TDA8024T/C1,118 |
![]() NXP Semiconductors |
![]() I/O Controller Interface IC SMART CARD READER |
![]() Data Sheet |
![]()
|
|
||||||||||||
| Image | Part No | Mfg | Description | ![]() |
Pricing (USD) |
Quantity | ||||||||||||
![]() |
![]() TDA8000 |
![]() Other |
![]() |
![]() Data Sheet |
![]() Negotiable |
|
||||||||||||
![]() |
![]() TDA8000T |
![]() Other |
![]() |
![]() Data Sheet |
![]() Negotiable |
|
||||||||||||
![]() |
![]() TDA8001 |
![]() Other |
![]() |
![]() Data Sheet |
![]() Negotiable |
|
||||||||||||
![]() |
![]() TDA8002 |
![]() Other |
![]() |
![]() Data Sheet |
![]() Negotiable |
|
||||||||||||
![]() |
![]() TDA8002C |
![]() Other |
![]() |
![]() Data Sheet |
![]() Negotiable |
|
||||||||||||
![]() |
![]() TDA8002C/CD |
![]() NXP Semiconductors |
![]() I/O Controller Interface IC SMRT CRD INTERFCE IC |
![]() Data Sheet |
![]() Negotiable |
|
||||||||||||
(Hong Kong)










