Product Summary
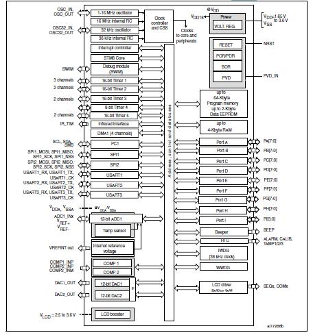
The STM8L151R6T6 is an 8-bit ultralow power microcontroller. The STM8L151R6T6 features the enhanced STM8 CPU core providing increased processing power (up to 16 MIPS at 16 MHz) while maintaining the advantages of a CISC architecture with improved code density, a 24-bit linear addressing space and an optimized architecture for low power operations.
Parametrics
STM8L151R6T6 absolute maximum ratings: (1)VDD- VSS, External supply voltage: -0.3 to 4.0V; (2)VIN, Input voltage on true open drain pins (PC0 and PC1): VSS-0.3 to 5.25V; Input voltage on any other pin: VSS-0.3 to 4.6V.
Features
STM8L151R6T6 features: (1)Main microcontroller features, Supply voltage range 1.65 V to 3.6 V; Low power consumption (Halt: 0.3 μA, Active-halt: 0.8 μA, Dynamic Run: 150 μA/MHz); STM8 Core with up to 16 CISC MIPS; (2)throughput; Temp. range: -40 to 85℃ and 125℃; (3)Memories, Up to 8 Kbytes of Flash program including up to 2 Kbytes of data EEPROM; Error correction code (ECC); Flexible write and read protection modes; In-application and in-circuit programming; Data EEPROM capability; 1.5 Kbytes of static RAM; (4)Clock management, Internal 16 MHz RC with fast wakeup time; (5)(typ. 4 μs); Internal low consumption 38 kHz RC driving both the IWDG and the AWU; (6)Reset and supply management, Ultralow power, ultrasafe power-on-reset/power down reset; Three low power modes: Wait, Active-halt, Halt.
Diagrams

| Image | Part No | Mfg | Description | ![]() |
Pricing (USD) |
Quantity | ||||||||||||
|---|---|---|---|---|---|---|---|---|---|---|---|---|---|---|---|---|---|---|
![]() |
![]() STM8L151R6T6 |
![]() STMicroelectronics |
![]() 8-bit Microcontrollers (MCU) STM8L Ultra LP 8-Bit LCD 64-Pin 32kB |
![]() Data Sheet |
![]()
|
|
||||||||||||
| Image | Part No | Mfg | Description | ![]() |
Pricing (USD) |
Quantity | ||||||||||||
![]() |
![]() STM8/128-D/RAIS |
![]() STMicroelectronics |
![]() Daughter Cards & OEM Boards Starter Kit for STM8 & ST7 |
![]() Data Sheet |
![]()
|
|
||||||||||||
![]() |
![]() STM8/128-EV/TS |
![]() STMicroelectronics |
![]() Development Boards & Kits - Other Processors STM8S Eval BRD Touch Sense Solution |
![]() Data Sheet |
![]()
|
|
||||||||||||
![]() |
![]() STM8/128-EVAL |
![]() STMicroelectronics |
![]() Development Boards & Kits - Other Processors STM8S DEMO FIRMWARE EMB FLASH STORED MCU |
![]() Data Sheet |
![]()
|
|
||||||||||||
![]() |
![]() STM8/128-MCKIT |
![]() STMicroelectronics |
![]() Development Boards & Kits - Other Processors STM8S 128KB Motor Control Kit |
![]() Data Sheet |
![]()
|
|
||||||||||||
![]() |
![]() STM8/128-SK/RAIS |
![]() STMicroelectronics |
![]() Development Boards & Kits - Other Processors Starter Kit for STM8 & ST7 |
![]() Data Sheet |
![]()
|
|
||||||||||||
![]() |
![]() STM802 |
![]() Other |
![]() |
![]() Data Sheet |
![]() Negotiable |
|
||||||||||||
(Hong Kong)










