Product Summary
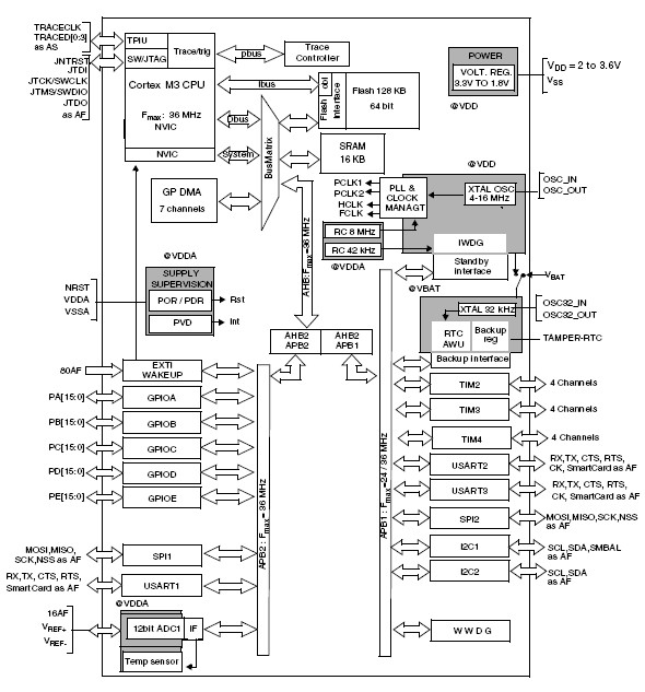
The STM32F101R8T6 is a Medium-density access line, ARM-based 32-bit MCU with 64 or 128 KB Flash, 6 timers, ADC and 7 communication interfaces. The STM32F101R8T6 incorporates the high-performance ARM Cortex-M3 32-bit RISC core operating at a 36 MHz frequency, high-speed embedded memories (Flash memory up to 128 Kbytes and SRAM up to 16 Kbytes), and an extensive range of enhanced peripherals and I/Os connected to two APB buses. All devices offer standard communication interfaces (two I2Cs, two SPIs, and up to three USARTs), one 12-bit ADC and three general-purpose 16-bit timers. The applications of the STM32F101R8T6 include Application control and user interface, Medical and handheld equipment, PC peripherals, gaming and GPS platforms, Industrial applications: PLC, inverters, printers, and scanners, Alarm systems, Video intercom, and HVAC.
Parametrics
STM32F101R8T6 absolute maximum ratings: (1)VDD-VSS External main supply voltage (including VDDA and VDD): -0.3 to 4V; (2)Input voltage on five volt tolerant pin: VSS-0.3 to 5.5V; (3)Input voltage on any other pin: VSS-0.3 to VDD+0.3V; (4)Variations between different VDD power pins: 50mV; (5)|VSSX-VSS| Variations between all the different ground pins: 50mV.
Features
STM32F101R8T6 features: (1)64 to 128 Kbytes of Flash memory; (2)10 to 16 Kbytes of SRAM; (3)2.0 to 3.6 V application supply and I/Os; (4)POR, PDR and programmable voltage detector (PVD); (5)4-to-16 MHz crystal oscillator; (6)Internal 8 MHz factory-trimmed RC; (7)Internal 40 kHz RC; (8)PLL for CPU clock; (9)Sleep, Stop and Standby modes; (10)VBAT supply for RTC and backup registers; (11)26/37/51/80 I/Os, all mapable on 16 external interrupt vectors and almost all 5 V-tolerant.
Diagrams

| Image | Part No | Mfg | Description | ![]() |
Pricing (USD) |
Quantity | ||||||||||||
|---|---|---|---|---|---|---|---|---|---|---|---|---|---|---|---|---|---|---|
![]() |
![]() STM32F101R8T6 |
![]() STMicroelectronics |
![]() ARM Microcontrollers (MCU) 32BIT Cortex M3 64KB 10KB RAM 1X12 ADC |
![]() Data Sheet |
![]()
|
|
||||||||||||
![]() |
![]() STM32F101R8T6TR |
![]() STMicroelectronics |
![]() ARM Microcontrollers (MCU) 32BIT Cortex M3 Access Line |
![]() Data Sheet |
![]()
|
|
||||||||||||
(Hong Kong)









