Product Summary
The SN75176BD is a differential bus transceiver. It is integrated circuits designed for bidirectional data communication on multipoint bus transmission lines. The SN75176BD is designed for balanced transmission lines and meet ANSI Standards TIA/EIA-422-B and TIA/EIA-485-A and ITU Recommendations V.11 and X.27.
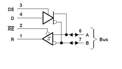
The SN75176BD combines a 3-state differential line driver and a differential input line receiver, both of which operate from a single 5-V power supply. The SN75176BD has active-high and active-low enables, respectively, that can be connected together externally to function as a direction control.
Parametrics
SN75176BD absolute maximum ratings: (1)Supply voltage, VCC (see Note 1): 7 V; (2)Voltage range at any bus terminal: –10 V to 15 V; (3)Enable input voltage, VI: 5.5 V; (4)Package thermal impedance, θJA (see Notes 2 and 3): D package: 97℃/W; (5)P package: 85℃/W; (6)PS package: 95℃/W; (7)Operating virtual junction temperature, TJ: 150℃; (8)Lead temperature 1,6 mm (1/16 inch) from case for 10 seconds: 260℃; (9)Storage temperature range, Tstg:–65 to 150℃.
Features
SN75176BD features: (1)Bidirectional Transceivers; (2)Meet or Exceed the Requirements of ANSI Standards TIA/EIA-422-B and TIA/EIA-485-A and ITU Recommendations V.11 and X.27; (3)Designed for Multipoint Transmission on Long Bus Lines in Noisy Environments; (4)3-State Driver and Receiver Outputs; (5)Individual Driver and Receiver Enables; (6)Wide Positive and Negative Input/Output Bus Voltage Ranges; (7)Driver Output Capability: ±60 mA Max; (8)Thermal Shutdown Protection; (9)Driver Positive and Negative Current limiting; (10)Receiver Input Impedance: 12 kΩ Min; (11)Receiver Input Sensitivity: ±200 mV; (12)Receiver Input Hysteresis: 50 mV Typ; (13)Operate From Single 5-V Supply.
Diagrams

| Image | Part No | Mfg | Description | ![]() |
Pricing (USD) |
Quantity | ||||||||||||
|---|---|---|---|---|---|---|---|---|---|---|---|---|---|---|---|---|---|---|
![]() |
![]() SN75176BD |
![]() Texas Instruments |
![]() Buffers & Line Drivers Diff Bus Trans |
![]() Data Sheet |
![]()
|
|
||||||||||||
![]() |
![]() SN75176BDE4 |
![]() Texas Instruments |
![]() RS-485 Interface IC Differential Bus Transceiver |
![]() Data Sheet |
![]()
|
|
||||||||||||
![]() |
![]() SN75176BDG4 |
![]() Texas Instruments |
![]() RS-485 Interface IC Differential Bus Transceiver |
![]() Data Sheet |
![]()
|
|
||||||||||||
![]() |
![]() SN75176BDR |
![]() Texas Instruments |
![]() Buffers & Line Drivers Differential Bus |
![]() Data Sheet |
![]()
|
|
||||||||||||
![]() |
![]() SN75176BDRG4 |
![]() Texas Instruments |
![]() Buffers & Line Drivers Differential Bus Transceiver |
![]() Data Sheet |
![]()
|
|
||||||||||||
![]() |
![]() SN75176BDRE4 |
![]() Texas Instruments |
![]() Buffers & Line Drivers Differential Bus Transceiver |
![]() Data Sheet |
![]()
|
|
||||||||||||
(Hong Kong)









