Product Summary
The SLVU2.8-8-LF-T7 is an Ultra Low Capacitance TVS Array. The applications of the SLVU2.8-8-LF-T7 include Ethernet - 10/100/1000 Base T, Cellular Phones, Audio/Video Inputs, Handheld Electronics, Personal Digital Assistant (PDA).
Parametrics
SLVU2.8-8-LF-T7 absolute maximum ratings: (1)Peak Pulse Power (tp = 8/20μs): 600 W; (2)Peak Pulse Current (tp = 8/20μs): 30 A; (3)Lead Soldering Temperature: 260 ℃; (4)Operating Temperature: -55 to 150 ℃; (5)Storage Temperature: -55 to 150 ℃.
Features
SLVU2.8-8-LF-T7 features: (1)600 Watts Peak Pulse Power per Line (tp = 8/20μs); (2)Provides Protection For Four Line Pairs; (3)ESD Protection > 40 kilovolts; (4)Low Leakage Current < 1.0μA; (5)Ultra Low Capacitance: 6pF Typical; (6)RoHS Compliant.
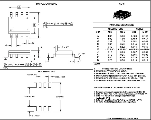
Diagrams

(Hong Kong)






