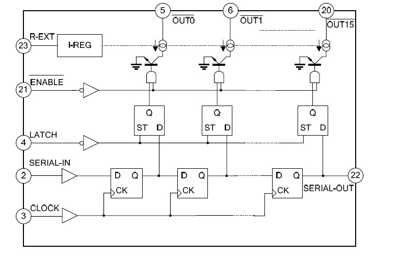
Product Summary
The SD16729 is a constant current LED driver with advanced Bi-CMOS technology, the constant current is determined by external resistor. The SD16729 includes a 16-bit shift register, latches, the constant current driver and etc. In the output stage, there are 16 current sources which provide a 1-45mA constant current drive for LED through bipolar device. The SD16729 application: LED screen.
Parametrics
SD16729 absolute maximum ratings: (1)Supply Voltage VDD: 6 V; (2)Input Voltage VIN: -0.2~VDD+0.2 V; (3)Output Current IOUT: 50 mA/ch; (4)Output Voltage VOUT: -0.2~ 17 V.
Features
SD16729 features: (1)Output current adjustable through external resistor; (2)Data serial-in/serial-out; (3)16-channel constant current output; (4)Output current: 1~45mA; (5)30MHz clock frequency; (6)Fast output current response, ENABLE min. width:30ns.
Diagrams

(Hong Kong)






