Product Summary
The REG102 is a Low-Dropout Regulator. The REG102 is a family of low-noise, low-dropout linear regulators with low ground pin current. The new DMOS topology provides significant improvement over previous designs, including low-dropout voltage (only 150mV typ at full load), and better transient performance. In addition, no output capacitor is required for stability, unlike conventional low-dropout regulators that are difficult to compensate and require expensive low ESR capacitors greater than 1μF. Typical ground pin current is only 600μA (at IOUT = 250mA) and drops to 10nA when not enabled. Unlike regulators with PNP pass devices, quiescent current remains relatively constant over load variations and under dropout conditions.
Parametrics
REG102 absolute maximum ratings: (1)Supply Input Voltage : –0.3V to 12V; (2)Enable Input Voltage : –0.3V to VIN; (3)Feedback Voltage : –0.3V to 6.0V; (4)NR Pin Voltage : –0.3V to 6.0V; (5)Output Short-Circuit Duration : Indefinite; (6)Operating Temperature Range : –55℃ to +125℃; (7)Storage Temperature Range : –65℃ to +150℃; (8)Lead Temperature : +240℃.
Features
REG102 features: (1)FAST TRANSIENT RESPONSE; (2)VERY LOW NOISE: 28μVrms; (3)HIGH ACCURACY: ±1.5% max; (4)2.5V, 2.8V, 2.85V, 3.0V, 3.3V, AND 5.0V ADJUSTABLE OUTPUT VERSIONS; (5)OTHER OUTPUT VOLTAGES AVAILABLE UPON REQUEST; (6)FOLDBACK CURRENT LIMIT; (7)THERMAL PROTECTION; (8)SMALL SURFACE-MOUNT PACKAGES: SOT23-5, SOT223-5, and SO-8.
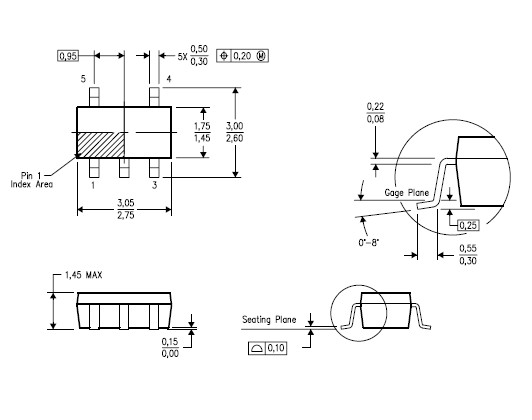
Diagrams

| Image | Part No | Mfg | Description | ![]() |
Pricing (USD) |
Quantity | ||||||||||||
|---|---|---|---|---|---|---|---|---|---|---|---|---|---|---|---|---|---|---|
![]() |
![]() REG102 |
![]() Other |
![]() |
![]() Data Sheet |
![]() Negotiable |
|
||||||||||||
![]() |
![]() REG102GA-2.5 |
![]() Texas Instruments |
![]() Low Dropout (LDO) Regulators DMOS 250 mA LDO Reg |
![]() Data Sheet |
![]()
|
|
||||||||||||
![]() |
![]() REG102GA-2.5/2K5G4 |
![]() Texas Instruments |
![]() Low Dropout (LDO) Regulators DMOS 250 mA LDO Reg |
![]() Data Sheet |
![]() Negotiable |
|
||||||||||||
![]() |
![]() REG102GA-2.5G4 |
![]() Texas Instruments |
![]() Low Dropout (LDO) Regulators Sgl Output Lo Noise Fast Trans Resp |
![]() Data Sheet |
![]()
|
|
||||||||||||
![]() |
![]() REG102GA-2.8 |
![]() Texas Instruments |
![]() Low Dropout (LDO) Regulators DMOS 250 mA LDO Reg |
![]() Data Sheet |
![]() Negotiable |
|
||||||||||||
![]() |
![]() REG102GA-2.8/2K5 |
![]() Texas Instruments |
![]() Low Dropout (LDO) Regulators DMOS 250 mA LDO Reg |
![]() Data Sheet |
![]() Negotiable |
|
||||||||||||
![]() |
![]() REG102GA-2.8/2K5G4 |
![]() Texas Instruments |
![]() Low Dropout (LDO) Regulators DMOS 250 mA LDO Reg |
![]() Data Sheet |
![]() Negotiable |
|
||||||||||||
![]() |
![]() REG102GA-2.85 |
![]() Texas Instruments |
![]() Low Dropout (LDO) Regulators DMOS 250 mA LDO Reg |
![]() Data Sheet |
![]()
|
|
||||||||||||
(Hong Kong)










