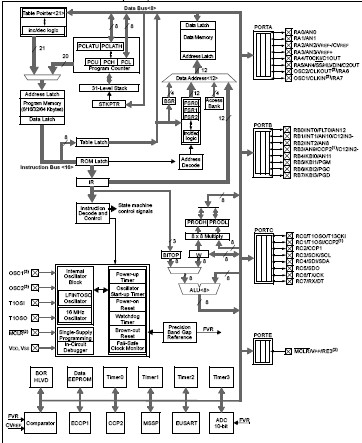
Product Summary
The PIC18F26K20-I/SS is a Flash Microcontroller. The PIC18F26K20-I/SS offers the advantages of all PIC18 microcontrollers namely, high computational performance at an economical price – with the addition of high-endurance, Flash program memory. On top of these features, the PIC18F26K20-I/SS introduces design enhancements that make these microcontrollers a logical choice for many highperformance, power sensitive applications.
Parametrics
PIC18F26K20-I/SS absolute maximum ratings: (1)Ambient temperature under bias: -40℃ to +125℃; (2)Storage temperature: -65℃ to +150℃; (3)Voltage on any pin with respect to VSS (except VDD, and MCLR): -0.3V to (VDD + 0.3V); (4)Voltage on VDD with respect to VSS: -0.3V to +4.5V; (5)Voltage on MCLR with respect to VSS (Note 2): 0V to +11.0V; (6)Total power dissipation (Note 1): 1.0W; (7)Maximum current out of VSS pin : 300 mA; (8)Maximum current out of VSS pin : 125 mA; (9)Maximum current into VDD pin : 200 mA; (10)Maximum current into VDD pin : 85 mA.
Features
PIC18F26K20-I/SS features: (1)Operating Voltage Range: 1.8V to 3.6V; (2)Self-Programmable under Software Control; (3)Programmable 16-Level High/Low-Voltage Detection (HLVD) module: Interrupt on High/Low-Voltage Detection; (4)Programmable Brown-out Reset (BOR): With software enable option; (5)Extended Watchdog Timer (WDT): Programmable period from 4 ms to 131s; (6)Single-Supply 3V In-Circuit Serial Programming?(ICSP? via Two Pins; (7)In-Circuit Debug (ICD) via Two Pins.
Diagrams

| Image | Part No | Mfg | Description | ![]() |
Pricing (USD) |
Quantity | ||||||||||||
|---|---|---|---|---|---|---|---|---|---|---|---|---|---|---|---|---|---|---|
![]() |
![]() PIC18F26K20-I/SS |
![]() Microchip Technology |
![]() 8-bit Microcontrollers (MCU) 64KBFlash 3968 RAM25 I/O 8B Family PbFree |
![]() Data Sheet |
![]()
|
|
||||||||||||
| Image | Part No | Mfg | Description | ![]() |
Pricing (USD) |
Quantity | ||||||||||||
![]() |
![]() PIC1018SCL |
![]() Other |
![]() |
![]() Data Sheet |
![]() Negotiable |
|
||||||||||||
![]() |
![]() PIC10F200 |
![]() Other |
![]() |
![]() Data Sheet |
![]() Negotiable |
|
||||||||||||
![]() |
![]() PIC10F200-E/MC |
![]() Microchip Technology |
![]() 8-bit Microcontrollers (MCU) 384B Flash16B RAM 4 I/O |
![]() Data Sheet |
![]()
|
|
||||||||||||
![]() |
![]() PIC10F200-E/OT |
![]() Other |
![]() |
![]() Data Sheet |
![]() Negotiable |
|
||||||||||||
![]() |
![]() PIC10F200-E/P |
![]() Microchip Technology |
![]() 8-bit Microcontrollers (MCU) U 579-PIC10F200-I/P |
![]() Data Sheet |
![]() Negotiable |
|
||||||||||||
![]() |
![]() PIC10F200-I/MC |
![]() Microchip Technology |
![]() 8-bit Microcontrollers (MCU) 0.375KB Fl 16B RAM |
![]() Data Sheet |
![]()
|
|
||||||||||||
(Hong Kong)










