Product Summary
The PIC18F2420-I/SO is a 28-Pin Enhanced Flash Microcontroller with 10-Bit A/D and nanoWatt Technology. It is a logical choice for many high-performance, power sensitive applications. Its package is 28-Pin SPDIP, 28-Pin SOIC or 28-Pin QFN.
Parametrics
PIC18F2420-I/SO absolute maximum ratings: (1)Ambient temperature under bias: -40℃ to +125℃; (2)Storage temperature: -65℃ to +150℃; (3)Voltage on any pin with respect to VSS (except VDD and MCLR) : -0.3V to (VDD + 0.3V); (4)Voltage on VDD with respect to VSS: -0.3V to +7.5V; (5)Voltage on MCLR with respect to VSS: 0V to +13.25V; (6)Total power dissipation: 1.0W; (7)Maximum current out of VSS pin: 300 mA; (8)Maximum current into VDD pin: 250 mA; (9)Input clamp current, IIK (VI < 0 or VI > VDD): ±20 mA; (10)Output clamp current, IOK (VO < 0 or VO > VDD): ±20 mA; (11)Maximum output current sunk by any I/O pin: 25 mA; (12)Maximum output current sourced by any I/O pin: 25 mA; (13)Maximum current sunk by all ports: 200 mA; (14)Maximum current sourced by all ports: 200 mA.
Features
PIC18F2420-I/SO features: (1)C Compiler Optimized Architecture: Optional extended instruction set designed to optimize re-entrant code; (2)100,000 Erase/Write Cycle Enhanced Flash Program Memory Typical; (3)1,000,000 Erase/Write Cycle Data EEPROM Memory Typical; (4)Flash/Data EEPROM Retention: 100 Years Typical; (5)Self-Programmable under Software Control; (6)Priority Levels for Interrupts; (7)8 x 8 Single-Cycle Hardware Multiplier; (8)Extended Watchdog Timer (WDT): Programmable period from 4 ms to 131s; (9)In-Circuit Debug (ICD) via Two Pins; (10)Wide Operating Voltage Range: 2.0V to 5.5V; (11)Programmable Brown-out Reset (BOR) with Software Enable Option.
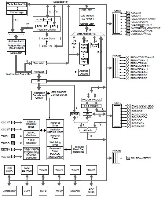
Diagrams

| Image | Part No | Mfg | Description | ![]() |
Pricing (USD) |
Quantity | ||||||||||||
|---|---|---|---|---|---|---|---|---|---|---|---|---|---|---|---|---|---|---|
![]() |
![]() PIC18F2420-I/SO |
![]() Microchip Technology |
![]() 8-bit Microcontrollers (MCU) 16KB 768 RAM 25I/O |
![]() Data Sheet |
![]()
|
|
||||||||||||
![]() |
![]() PIC18F2420-I/SOC01 |
![]() Other |
![]() |
![]() Data Sheet |
![]() Negotiable |
|
||||||||||||
(Hong Kong)










