Product Summary
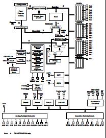
The PIC16F723A-I/SS is a 28-Pin Flash Microcontroller. The PIC16F723A-I/SS has a 13-bit program counter capable of addressing a 4K x 14 program memory space for the PIC16F723A-I/SS. Accessing a location above the memory boundaries for the PIC16F723A-I/SS will cause a wrap-around within the first 4K x 14 program memory space. The Reset vector is at 0000h and the interrupt vector is at 0004h It is available in 28-pin packages.
Parametrics
PIC16F723A-I/SS absolute maximum ratings: (1)Ambient temperature under bias: -40℃ to +125℃; (2)Storage temperature: -65℃ to +150℃; (3)Voltage on VDD with respect to VSS: -0.3V to +6.5V; (4)Voltage on VCAP pin with respect to VSS: -0.3V to +4.0V; (5)Voltage on VDD with respect to VSS: -0.3V to +4.0V; (6)Voltage on MCLR with respect to Vss: -0.3V to +9.0V; (7)Voltage on all other pins with respect to VSS: -0.3V to (VDD + 0.3V); (8)Total power dissipation: 800 mW; (9)Maximum current out of VSS pin: 95 mA; (10)Maximum current into VDD pin: 70 mA; (11)Clamp current: 20 mA; (12)Maximum output current sunk by any I/O pin: 25 mA; (13)Maximum output current sourced by any I/O pin: 25 mA; (14)Maximum current sunk by all ports: 200 mA or 90; (15)Maximum current sourced by all ports: 140 mA or 65mA.
Features
PIC16F723A-I/SS features: (1)High-Performance RISC CPU; (2)Programmable Code Protection; (3)Multiplexed Master Clear with Pull-up/Input Pin; (4)Industrial and Extended Temperature Range; (5)High-Endurance Flash Cell; (6)Addressable Universal Synchronous ; (7)Asynchronous Receiver Transmitter (AUSART); (8)Synchronous Serial Port (SSP); (9)On-chip 3.2V Regulator.
Diagrams

| Image | Part No | Mfg | Description | ![]() |
Pricing (USD) |
Quantity | ||||||||||||
|---|---|---|---|---|---|---|---|---|---|---|---|---|---|---|---|---|---|---|
![]() |
![]() PIC16F723A-I/SS |
![]() Microchip Technology |
![]() 8-bit Microcontrollers (MCU) 7KB Flash 1.8V-5.5V. 16 MHz int Osc |
![]() Data Sheet |
![]()
|
|
||||||||||||
| Image | Part No | Mfg | Description | ![]() |
Pricing (USD) |
Quantity | ||||||||||||
![]() |
![]() PIC1018SCL |
![]() Other |
![]() |
![]() Data Sheet |
![]() Negotiable |
|
||||||||||||
![]() |
![]() PIC10F200 |
![]() Other |
![]() |
![]() Data Sheet |
![]() Negotiable |
|
||||||||||||
![]() |
![]() PIC10F200-E/MC |
![]() Microchip Technology |
![]() 8-bit Microcontrollers (MCU) 384B Flash16B RAM 4 I/O |
![]() Data Sheet |
![]()
|
|
||||||||||||
![]() |
![]() PIC10F200-E/OT |
![]() Other |
![]() |
![]() Data Sheet |
![]() Negotiable |
|
||||||||||||
![]() |
![]() PIC10F200-E/P |
![]() Microchip Technology |
![]() 8-bit Microcontrollers (MCU) U 579-PIC10F200-I/P |
![]() Data Sheet |
![]() Negotiable |
|
||||||||||||
![]() |
![]() PIC10F200-I/MC |
![]() Microchip Technology |
![]() 8-bit Microcontrollers (MCU) 0.375KB Fl 16B RAM |
![]() Data Sheet |
![]()
|
|
||||||||||||
(Hong Kong)










