Product Summary
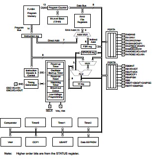
The PIC16F628A-I/SO is an 8-Bit CMOS Microcontroller which is supported by a full-featured macro assembler, a software simulator, anin-circuit emulator, a low cost in-circuit debugger, a low cost development programmer and a full-featured programmer. FLASH devices can be erased and re-programmed electrically. This allows the same device to be used for prototype development, pilot programs and production. A variety of frequency ranges and packaging options are available.
Parametrics
PIC16F628A-I/SO absolute maximum ratings: (1)Ambient temperature under bias: -40 to +125℃; (2)Storage temperature: -65 to +150℃; (3)Voltage on VDD with respect to VSS: -0.3 to +6.5V; (4)Voltage on MCLR and RA4 with respect to VSS: -0.3 to +14V; (5)Voltage on all other pins with respect to VSS: -0.3V to VDD + 0.3V; (6)Total power dissipation: .800 mW; (7)Maximum current out of VSS pin: 300 mA; (8)Maximum current into VDD pin: 250 mA; (9)Input clamp current: ± 20 mA; (10)Output clamp current: ± 20 mA; (11)Maximum output current sunk by any I/O pin: 25 mA; (12)Maximum output current sourced by any I/O pin: 25 mA; (13)Maximum current sunk by PORTA and PORTB (Combined): 200 mA; (14)Maximum current sourced by PORTA and PORTB (Combined): 200 mA.
Features
PIC16F628A-I/SO features: (1)Operating speeds from DC - 20 MHz; (2)Interrupt capability; (3)8-level deep hardware stack; (4)Direct, Indirect and Relative Addressing modes; (5)35 single word instructions; (6)Internal and external oscillator options; (7)Power saving SLEEP mode; (8)Programmable weak pull-ups on PORTB; (9)Multiplexed Master Clear/Input-pin; (10)Watchdog Timer with independent oscillator for reliable operation; (11)16 I/O pins with individual direction control; (12)High current sink/source for direct LED drive; (13)Analog comparator module; (14)Industrial and extended temperature range; (15)Low Power Features; (16)Addressable Universal Synchronous/Asynchronous Receiver/Transmitter USART/SCI.
Diagrams

| Image | Part No | Mfg | Description | ![]() |
Pricing (USD) |
Quantity | ||||||||||||
|---|---|---|---|---|---|---|---|---|---|---|---|---|---|---|---|---|---|---|
![]() |
![]() PIC16F628A-I/SO |
![]() Microchip Technology |
![]() 8-bit Microcontrollers (MCU) 3.5KB 224 RAM 16 I/O |
![]() Data Sheet |
![]()
|
|
||||||||||||
| Image | Part No | Mfg | Description | ![]() |
Pricing (USD) |
Quantity | ||||||||||||
![]() |
![]() PIC1018SCL |
![]() Other |
![]() |
![]() Data Sheet |
![]() Negotiable |
|
||||||||||||
![]() |
![]() PIC10F200 |
![]() Other |
![]() |
![]() Data Sheet |
![]() Negotiable |
|
||||||||||||
![]() |
![]() PIC10F200-E/MC |
![]() Microchip Technology |
![]() 8-bit Microcontrollers (MCU) 384B Flash16B RAM 4 I/O |
![]() Data Sheet |
![]()
|
|
||||||||||||
![]() |
![]() PIC10F200-E/OT |
![]() Other |
![]() |
![]() Data Sheet |
![]() Negotiable |
|
||||||||||||
![]() |
![]() PIC10F200-E/P |
![]() Microchip Technology |
![]() 8-bit Microcontrollers (MCU) U 579-PIC10F200-I/P |
![]() Data Sheet |
![]() Negotiable |
|
||||||||||||
![]() |
![]() PIC10F200-I/MC |
![]() Microchip Technology |
![]() 8-bit Microcontrollers (MCU) 0.375KB Fl 16B RAM |
![]() Data Sheet |
![]()
|
|
||||||||||||
(Hong Kong)










