Product Summary
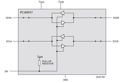
The PCA9517DGKR is a CMOS integrated circuit that provides level shifting between low voltage (down to 0.9 V) and higher voltage (2.7 V to 5.5 V) I2C or SMBus applications. While retaining all the operating modes and features of the I2C system during the level shifts, it also permits extension of the I2C-bus by providing bi-directional buffering for both the data (SDA) and the clock (SCL) lines, thus enabling two buses of 400 pF. Using the PCA9517DGKR enables the system designer to isolate two halves of a bus for both voltage and capacitance. The SDA and SCL pins are over voltage tolerant and are high-impedance when the PCA9517DP,118 is unpowered.
Parametrics
PCA9517DGKR absolute maximum ratings: (1)2.7 V to 3.3 V bus supply voltage range, VCCB: -0.5 to +7 V; (2)Adjustable bus supply voltage range, VCCA: -0.5 to +7 V; (3)Voltage range I2C-bus, SCL or SDA or enable (EN), Vbus: -0.5 to +7 V; (4)DC current (any pin), I: 50 mA; (5)Power dissipation, Ptot: 100 mW; (6)Storage temperature range, Tstg: -55 to +125℃; (7)Operating ambient temperature range, Tamb: -40 to +85℃; (8)Junction temperature, Tj: +125℃.
Features
PCA9517DGKR features: (1)2 channel, bi-directional buffer isolates capacitance and allows400 pF on either side of the device; (2)Voltage level translation from 0.9 V to 5.5 V and from 2.7 V to 5.5 V; (3)Footprint and functions replacement for PCA9515/15A; (4)I2C-bus and SMBus compatible; (5)Active-HIGH repeater enable input; (6)Open-drain input/outputs; (7)Lock-up free operation; (8)Supports arbitration and clock stretching across the repeater Accommodates standard mode and fast mode I2C devices and multiple masters; (9)Powered-off high-impedance I2C pins; (10)Operating supply voltage range of 2.7 V to 3.6 V; (11)5 V tolerant I2C and enable pins; (12)0 kHz to 400 kHz clock frequency1; (13)ESD protection exceeds 2000 V HBM per JESD22-A114, 200 V MM per JESD22-A115, and 1000 V CDM per JESD22-C101.; (14)Latch-up testing is done to JEDEC Standard JESD78 which exceeds 100 mA.; (15)Packages offered: SO8, TSSOP8 (MSOP8).
Diagrams

| Image | Part No | Mfg | Description | ![]() |
Pricing (USD) |
Quantity | ||||||||||||
|---|---|---|---|---|---|---|---|---|---|---|---|---|---|---|---|---|---|---|
![]() |
![]() PCA9517DGKR |
![]() Texas Instruments |
![]() Translation - Voltage Levels Level-Translating I2C Bus Repeater |
![]() Data Sheet |
![]()
|
|
||||||||||||
![]() |
![]() PCA9517DGKRG4 |
![]() Texas Instruments |
![]() Translation - Voltage Levels Lev-Translating I2C Bus Repeater |
![]() Data Sheet |
![]()
|
|
||||||||||||
(Hong Kong)









