Product Summary
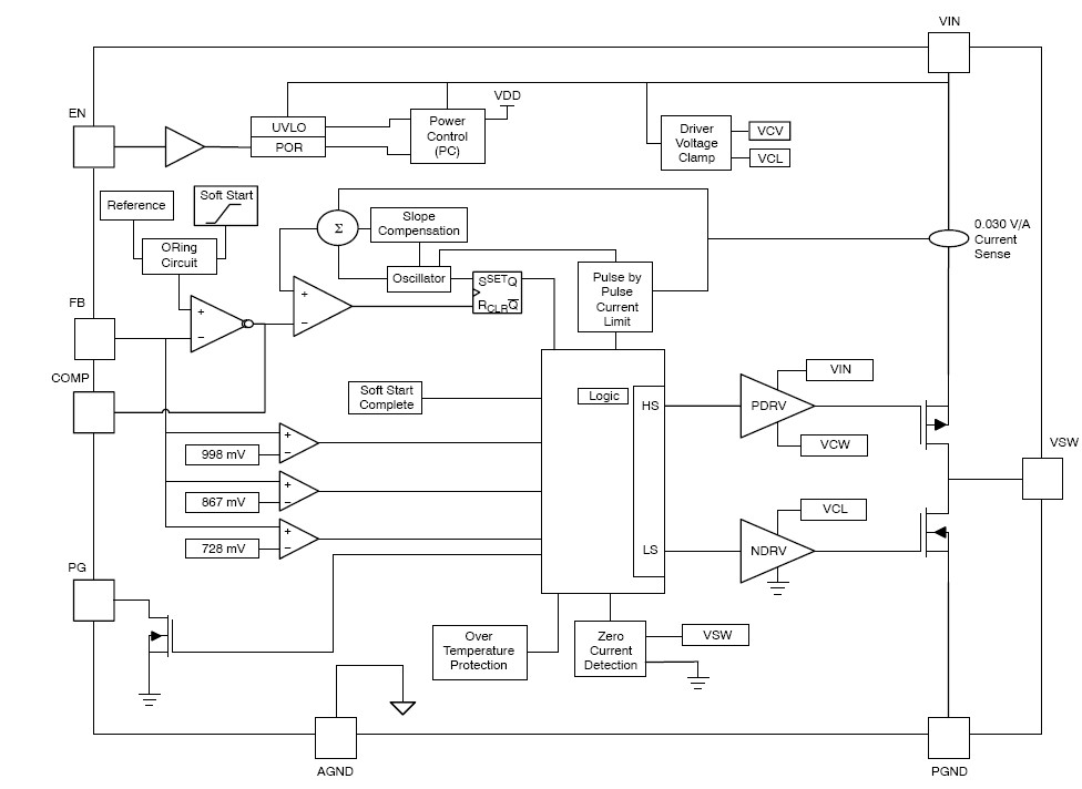
The NCP3170ADR2G is a Switching Converter. The NCP3170ADR2G is a flexible synchronous PWM Switching Buck Regulator. The NCP3170ADR2G operates from 4.5 V to 18 V, sourcing up to 3 A and is capable of producing output voltages as low as 0.8 V. The NCP3170ADR2G also incorporates current mode control. To reduce the number of external components, a number of features are internally set including soft start, power good detection, and switching frequency. The NCP3170ADR2G is currently available in an SOIC-8 package. The applications of the NCP3170ADR2G include Set Top Boxes, LCD Monitors and TVs, Cable Modems, PCIe Graphics Cards, Telecom/Networking/Datacom Equipment and Point of Load DC/DC Converters.
Parametrics
NCP3170ADR2G absolute maximum ratings: (1)Main Supply Voltage Input: 20 to -0.3 V; (2)Voltage between PGND and AGND: 0.3 to -0.3 V; (3)PWM Feedback Voltage: 6 to -0.3 V; (4)Error Amplifier Voltage: 6 to -0.3 V; (5)Enable Voltage: VIN + 0.3 V to -0.3 V; (6)PG Voltage: VIN + 0.3 V to -0.3 V; (7)VSW to AGND or PGND: VIN + 0.3 V to -0.7 V; (8)VSW to AGND or PGND for 35ns: VIN + 10 V to -5 V; (9)Junction Temperature (Note 1): +150 ℃; (10)Operating Ambient Temperature Range: -40 to +85 ℃; (11)Storage Temperature Range: -55 to +150 ℃.
Features
NCP3170ADR2G features: (1)4.5 V to 18 V Operating Input Voltage Range; (2)90 mΩ High-Side, 25 mΩ Low-Side Switch; (3)FMEA Fault Tolerant During Pin Short Test; (4)3 A Continuous Output Current; (5)Fixed 500 kHz and 1 MHz PWM Operation; (6)Cycle-by-Cycle Current Monitoring; (7)1.5% Initial Output Accuracy; (8)Internal 4.6 ms Soft-Start; (9)Short-Circuit Protection; (10)Turn on Into Pre-bias; (11)Power Good Indication; (12)Light Load Efficiency; (13)Thermal Shutdown; (14)These are Pb-Free Devices.
Diagrams

| Image | Part No | Mfg | Description | ![]() |
Pricing (USD) |
Quantity | ||||||||||||
|---|---|---|---|---|---|---|---|---|---|---|---|---|---|---|---|---|---|---|
![]() |
![]() NCP3170ADR2G |
![]() ON Semiconductor |
![]() DC/DC Switching Converters 3A SWITCHING REGULATOR |
![]() Data Sheet |
![]()
|
|
||||||||||||
| Image | Part No | Mfg | Description | ![]() |
Pricing (USD) |
Quantity | ||||||||||||
![]() |
![]() NCP300 |
![]() Other |
![]() |
![]() Data Sheet |
![]() Negotiable |
|
||||||||||||
![]() |
![]() NCP300HSN09T1 |
![]() ON Semiconductor |
![]() Voltage Detectors / Monitors 0.9V Detector |
![]() Data Sheet |
![]() Negotiable |
|
||||||||||||
![]() |
![]() NCP300HSN09T1G |
![]() ON Semiconductor |
![]() Voltage Detectors / Monitors 0.9V Detector w/Reset High |
![]() Data Sheet |
![]()
|
|
||||||||||||
![]() |
![]() NCP300HSN11T1 |
![]() Other |
![]() |
![]() Data Sheet |
![]() Negotiable |
|
||||||||||||
![]() |
![]() NCP300HSN18T1 |
![]() ON Semiconductor |
![]() Voltage Detectors / Monitors 1.8V Detector |
![]() Data Sheet |
![]() Negotiable |
|
||||||||||||
![]() |
![]() NCP300HSN18T1G |
![]() ON Semiconductor |
![]() Voltage Detectors / Monitors 1.8V Detector w/Reset High |
![]() Data Sheet |
![]()
|
|
||||||||||||
(Hong Kong)










