Product Summary
The MX29LV400CBTI-90G is a 4-mega bit Flash memory organized as 512K bytes of 8 bits or 256K words of 16 bits. MXIC’s Flash memories offer the most cost-effective and reliable read/write non-volatile random access memory. The MX29LV400CBTI-90G is packaged in 44-pin SOP, 48-pin TSOP and 48-ball CSP. It is designed to be reprogrammed and erased in system or in standard
EPROM programmers.
Parametrics
MX29LV400CBTI-90G absolute maximum ratings: (1)Storage Temperature Plastic Packages: -65℃ to +150℃; (2)Ambient Temperature with Power Applied: -65℃ to +125℃; (3)Voltage with Respect to Ground, VCC: -0.5 V to +4.0 V; (4)A9, OE#, and RESET#: -0.5 V to +12.5 V; All other pins: -0.5 V to VCC +0.5 V; (5)Output Short Circuit Current: 200 mA.
Features
MX29LV400CBTI-90G features: (1)Extended single - supply voltage range 2.7V to 3.6V; (2)524,288 x 8/262,144 x 16 switchable; (3)Single power supply operation, 3.0V only operation for read, erase and program operation; (4)Fully compatible with MX29LV400T/B device; (5)Fast access time: 55R/70/90ns; (6)Low power consumption, 30mA maximum active current; 0.2uA typical standby current; (7)Command register architecture, Byte/word Programming (9us/11us typical); Sector Erase (Sector structure 16K-Byte x 1,; (8)8K-Byte x 2, 32K-Byte x1, and 64K-Byte x7); (9)Auto Erase (chip & sector) and Auto Program, Automatically erase any combination of sectors with Erase Suspend capability; Automatically program and verify data at specified address; (10)Erase suspend/Erase Resume, Suspends sector erase operation to read data from, or program data to, any sector that is not being erased, then resumes the erase; (11)Status Reply, Data# Polling & Toggle bit for detection of program and erase operation completion.
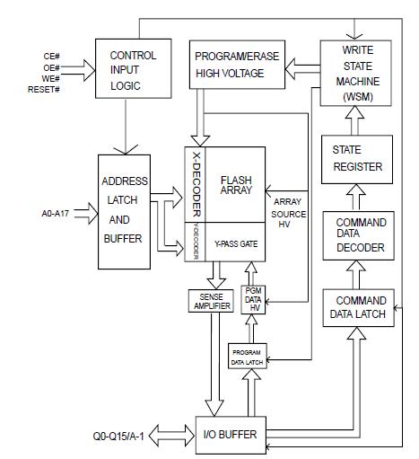
Diagrams

(Hong Kong)






