Product Summary
The MX29LV160DBXEI-70G is a 16-Mbit flash memory that can be organized as 2Mbytes of 8 bits each or as 1Mwords of 16 bits each. The MX29LV160DBXEI-70G operates over a voltage range of 2.7V to 3.6V typically using a 3V power supply input. The memory array is divided into 32 equal 64 Kilo byte blocks. However, depending on the device being used as a Top-Boot or Bottom-Boot device. The outermost one sector at the top or at the bottom are respectively the boot blocks for this device.
Parametrics
MX29LV160DBXEI-70G absolute maximum ratings: (1)Surrounding Temperature with Bias: -65℃ to +125℃; (2)Storage Temperature: -65℃ to +150℃; (3)Voltage Range, VCC: -0.5V to +4.0 V; RESET#, A9 and OE#: -0.5V to +10.5 V; The other pins: -0.5V to Vcc +0.5V; (4)Output Short Circuit Current (less than one second): 200 mA.
Features
MX29LV160DBXEI-70G features: (1)Byte/Word mode switchable, 2,097,152 x8 / 1,048,576 x16; (2)Sector Structure, 16K-Byte x 1, 8K-Byte x 2, 32K-Byte x 1, 64K-Byte x 31; Provides sector protect function to prevent program or erase operation in the protected sector; Provides chip unprotect function to allow code changing; Provides temporary sector unprotect function for code changing in previously protected sector; (3)Power Supply Operation, Vcc 2.7 to 3.6 volt for read, erase, and program operations; (4)Latch-up protected to 100mA from -1V to 1.5 x Vcc; (5)Low Vcc write inhibit: Vcc . Vlko; (6)Compatible with JEDEC standard, Pinout and software compatible to single power supply Flash; (7)Functional compatible with MX29LV160C device.
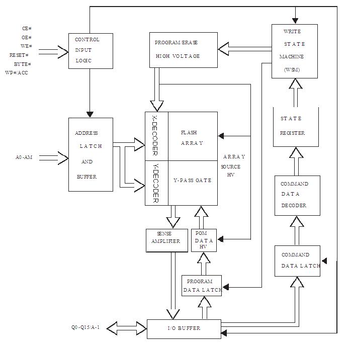
Diagrams

| Image | Part No | Mfg | Description | ![]() |
Pricing (USD) |
Quantity | ||||||||||||||||||||||
|---|---|---|---|---|---|---|---|---|---|---|---|---|---|---|---|---|---|---|---|---|---|---|---|---|---|---|---|---|
![]() |
![]() MX29LV160DBXEI-70G |
![]() |
![]() IC FLASH PAR 3V 16MB 70NS 48FBGA |
![]() Data Sheet |
![]()
|
|
||||||||||||||||||||||
| Image | Part No | Mfg | Description | ![]() |
Pricing (USD) |
Quantity | ||||||||||||||||||||||
![]() |
![]() MX29F001B |
![]() Other |
![]() |
![]() Data Sheet |
![]() Negotiable |
|
||||||||||||||||||||||
![]() |
![]() MX29F001T |
![]() Other |
![]() |
![]() Data Sheet |
![]() Negotiable |
|
||||||||||||||||||||||
![]() |
![]() MX29F001T/B |
![]() Other |
![]() |
![]() Data Sheet |
![]() Negotiable |
|
||||||||||||||||||||||
![]() |
![]() MX29F002 |
![]() Other |
![]() |
![]() Data Sheet |
![]() Negotiable |
|
||||||||||||||||||||||
![]() |
![]() MX29F002N |
![]() Other |
![]() |
![]() Data Sheet |
![]() Negotiable |
|
||||||||||||||||||||||
![]() |
![]() MX29F002TTI-12 |
![]() Other |
![]() |
![]() Data Sheet |
![]() Negotiable |
|
||||||||||||||||||||||
(Hong Kong)










