Product Summary
The MX29GL128FLXFI-90G is a 3V only single voltage flash memory.
Parametrics
MX29GL128FLXFI-90G absolute maximum ratings: (1)Surrounding Temperature with Bias: -65℃ to +125℃; (2)Storage Temperature: -65℃ to +150℃; (3)Voltage Range, VCC: -0.5V to +4.0 V; VI/O: -0.5V to +4.0 V; A9, WP#/ACC: -0.5V to +10.5 V; The other pins: -0.5V to Vcc +0.5V; (4)Output Short Circuit Current (less than one second): 200 mA.
Features
MX29GL128FLXFI-90G features: (1)Power Supply Operation, 2.7 to 3.6 volt for read, erase, and program operations; V I/O voltage must tight with VCC, VI/O=VCC=2.7V~3.6V; Byte/Word mode switchable; 33,554,432 x 8 / 16,777,216 x 16 (MX29GL256E H/L); 16,777,216 x 8 / 8,388,608 x 16 (MX29GL128E H/L); (2)64KW/128KB uniform sector architecture, 128 equal sectors; (3)16-byte/8-word page read buffer; (4)64-byte/32-word write buffer; (5)Extra 128-word sector for security, Features factory locked and identifiable, and customer lockable; (6)Advanced sector protection function (Persifent and Password Protect); (7)Latch-up protected to 100mA from -1V to 1.5xVcc; (8)Low Vcc write inhibit: Vcc ≤ VLKO; (9)Compatible with JEDEC standard, Pinout and software compatible to single power supply Flash; (10)Deep power down mode.
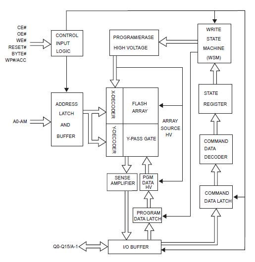
Diagrams

(Hong Kong)






