Product Summary
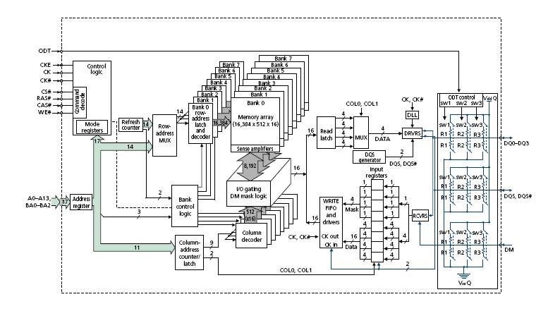
The MT47H256M8EB-25E:C is a DDR2 SDRAM. The MT47H256M8EB-25E:C uses double data rate architecture to achieve high-speed operation. The double data rate architecture is essentially 4n-prefetch architecture, with an interface designed to transfer two data words per clock cycle at the I/O balls. A single read or write access for the DDR2 SDRAM effectively consists of a single 4n-bit-wide, oneclock- cycle data transfer at the internal DRAM core and four corresponding n-bit-wide, one-half-clock-cycle data transfers at the I/O balls.
Parametrics
MT47H256M8EB-25E:C absolute maximum ratings: (1)VDD supply voltage relative to VSS VDD: –1.0V to 2.3V; (2)VDDQ supply voltage relative to VSSQ VDDQ: –0.5V to 2.3V; (3)VDDL supply voltage relative to VSSL VDDL: –0.5V to 2.3V; (4)Voltage on any ball relative to VSS VIN, VOUT: –0.5V to 2.3V; (5)Input leakage current; any input 0V≤VIN≤VDD; all other balls not under test = 0V: –5μA to 5μA; (6)Output leakage current; 0V≤VOUT≤VDDQ; DQ and ODT disabled IOZ: –5μA to 5μA; (7)VREF leakage current; VREF = Valid VREF level IVREF: –2μA to 2μA.
Features
MT47H256M8EB-25E:C features: (1)VDD = +1.8V ±0.1V, VDDQ= +1.8V±0.1V; (2)JEDEC-standard 1.8V I/O (SSTL_18-compatible); (3)Differential data strobe (DQS, DQS#) option; (4)4n-bit prefetch architecture; (5)Duplicate output strobe (RDQS) option for x8; (6)DLL to align DQ and DQS transitions with CK; (7)8 internal banks for concurrent operation; (8)Programmable CAS latency (CL); (9)Posted CAS additive latency (AL); (10)WRITE latency = READ latency - 1 tCK; (11)Selectable burst lengths (BL): 4 or 8; (12)Adjustable data-output drive strength; (13)64ms, 8192-cycle refresh; (14)On-die termination (ODT); (15)Industrial temperature (IT) option; (16)RoHS-compliant; (17)Supports JEDEC clock jitter specification.
Diagrams

| Image | Part No | Mfg | Description | ![]() |
Pricing (USD) |
Quantity | ||||||
|---|---|---|---|---|---|---|---|---|---|---|---|---|
![]() |
![]() MT47H256M8EB-25E:C |
![]() |
![]() IC SDRAM 2GBIT 800MHZ 60FBGA |
![]() Data Sheet |
![]()
|
|
||||||
| Image | Part No | Mfg | Description | ![]() |
Pricing (USD) |
Quantity | ||||||
![]() |
![]() MT470 |
![]() Other |
![]() |
![]() Data Sheet |
![]() Negotiable |
|
||||||
![]() |
![]() MT4730NF−UBL |
![]() Other |
![]() |
![]() Data Sheet |
![]() Negotiable |
|
||||||
![]() |
![]() MT4730NF−WT |
![]() Other |
![]() |
![]() Data Sheet |
![]() Negotiable |
|
||||||
![]() |
![]() MT47H128M16PK-25E IT:C |
![]() |
![]() IC DDR2 SDRAM 2GB 84FBGA |
![]() Data Sheet |
![]()
|
|
||||||
![]() |
![]() MT47H128M16RT-25E AIT:C |
![]() |
![]() IC DDR2 SDRAM 2GB 800HZ 84FBGA |
![]() Data Sheet |
![]()
|
|
||||||
![]() |
![]() MT47H128M16RT-25E IT:C |
![]() |
![]() IC DDR2 SDRAM 2GB 800HZ 84FBGA |
![]() Data Sheet |
![]()
|
|
||||||
(Hong Kong)









