Product Summary
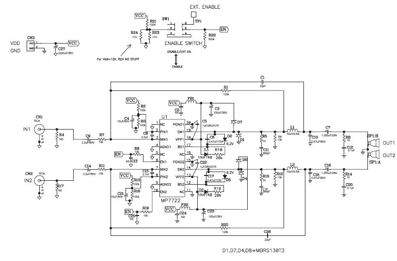
The MP7722DF is a stereo 20W Class D Audio Amplifier. The MP7722DF utilizes a single ended output structure capable of delivering 2×20W into 4Ω speakers. MPS Class D Audio Amplifiers exhibit the high fidelity of a Class A/B amplifier at efficiencies greater than 90%. The circuit is based on the MPS’ AAM proprietary variable frequency topology that delivers excellent linearity, fast response time and operates on a single power supply.
Features
MP7722DF features: (1)20W Output at VDD = 24V into a 4Ωload; (2)THD+N = 0.06% at 1W, 8Ω; (3)93% Efficiency at 20W; (4)Low Noise (190μV Typical); (5)Switching Frequency Up to 1MHz; (6)9.5V to 24V Operation from a Single Supply; (7)Mute/Standby Modes (Sleep).
Diagrams

| Image | Part No | Mfg | Description | ![]() |
Pricing (USD) |
Quantity | ||||||||||||
|---|---|---|---|---|---|---|---|---|---|---|---|---|---|---|---|---|---|---|
![]() |
![]() MP7722DF-LF |
![]() Monolithic Power Systems (MPS) |
![]() Audio Amplifiers 2x20W Class-D Single Ended Stereo Amp |
![]() Data Sheet |
![]()
|
|
||||||||||||
![]() |
![]() MP7722DF-LF-Z |
![]() Monolithic Power Systems (MPS) |
![]() Audio Amplifiers 2x20W Class-D Single Ended Stereo Amp |
![]() Data Sheet |
![]()
|
|
||||||||||||
(Hong Kong)









