Product Summary
The MP1430DN is a MP crystal series which offers excellent long-term stability and reliability in a proven resistanceweld metal package. The excellent shock performance makes it suitable for microprocessor, telecommunication, consumer electronic and networking applications.
Parametrics
MP1430DN absolute maximum ratings: (1)Frequency Range: 1.8 MHz to 48.0 MHz; (2)Frequency Tolerance @ 25℃: ±45 ppm Standard; (3)Frequency Stability Tolerance: ±50 ppm Standard; (4)Operating Temperature Range: -20℃ to +70℃; (5)Storage Temperature Range: -55℃ to +125℃; (6)Shunt Capacitance (C0): 7.0 pF Maximum; (7)Drive Level: 100 μW Maximum.
Features
MP1430DN features: (1)Standard HC-49/U Package, HC-49/U SM Package Option Available; (2)Stable Frequency Over Temperature and Drive Level; (3)Fundamental and 3rd Overtone Crystals; (4)Frequency Range 1.8 - 48 MHz; (5)Frequency Tolerance, ±45 ppm Standard; (6)Frequency Stability, ±50 ppm Standard; (7)Operating Temperature, -20℃ to +70℃; (8)Tape & Reel Packaging Available; (9)RoHS/Green Compliant.
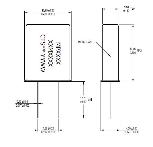
Diagrams

(Hong Kong)






