Product Summary
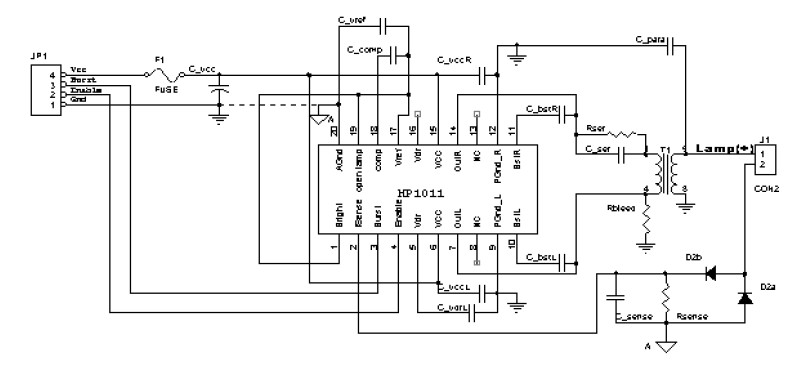
The MP1029EM is a Cold Cathode Fluorescent Lamp Driver. It offers a complete solution for driving one or more Cold Cathode Fluorescent Lamps (CCFL). This Power IC converts unregulated DC voltage to a nearly pure sine wave required to ignite and operate the CCFL. Based on proprietary power topology and patented control techniques, the MP1029EM greatly increases the power conversion efficiency. The device supports both analog and burst mode dimming without any additional external components. The applications of the MP1029EM include: LCD backlight inverter for large portable or desktop display.
Parametrics
MP1029EM absolute maximum ratings: (1)Vcc: 25 V; (2)Power Dissipation: 1.0 W; (3)Logic Inputs: -0.7 V to 6.8V; (4)Thermal resistance: 140℃/W; (5)Junction Temperature: 150℃; (6)Lead Temperature (Solder): 260℃; (7)Operating Frequency: 150KHz; (8)Storage Temperature: –55℃ to 150℃.
Features
MP1029EM features: (1)Integrated power switches; (2)6.0 to 22v variable supply voltage with regulated lamp current; (3)Rated 12W power output at 12V input; (4)Open lamp regulation; (5)Current and Voltage feedback control; (6)Logic Level burst mode control; (7)Thermal Shutdown; (8)Supports Open/Short Lamp protection; (9)Soft Start; (10)Output is short circuit protected; (11)Low lamp operating voltage for increasing transformer or using smaller transformer; (12)Allows Burst-Mode Operation; (13)No ballast capacitor required.
Diagrams

(Hong Kong)






