Product Summary
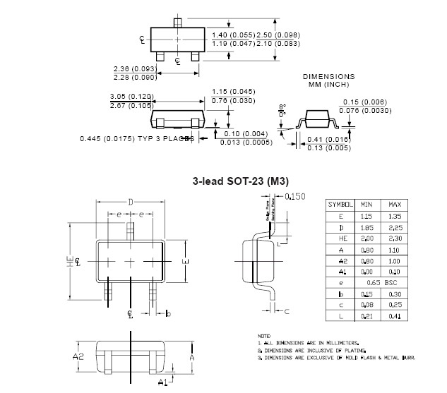
The MIC841NYC5 is a Microprocessor Reset Circuit. The MIC841NYC5 is an inexpensive microprocessor supervisory circuit that monitor power supplies in microprocessor based systems. The function of the MIC841NYC5 is to assert a reset if the power supply drops below a designated reset threshold level. Several different reset threshold levels are available to accommodate 3V, 3.3V or 5V powered systems. The MIC841NYC5 has an active-low /RESET output, while the MIC810 offers an active-high RESET output. The reset output is guaranteed to remain asserted for a minimum of 140ms after VCC has risen above the designated reset threshold level. Having a push-pull output stage, the MIC841NYC5 does not require a pull-up resistor at the output. The MIC841NYC5 comes in a 3-pin SOT-23 and SC-70 package. The MIC809SUY is also available with a shorter reset timeout (30ms min.). See the MIC809-5. The applications of the MIC841NYC5 include Portable equipment, Intelligent instruments, Critical microprocessor power monitoring, Printers/computers, Controllers.
Parametrics
MIC841NYC5 absolute maximum ratings: (1)Terminal Voltage: –0.3V to 6.0V; (2)Input Current: 20mA; (3) Output Current (RESET, /RESET): 20mA; (4)Lead Temperature (soldering, 10 sec.): 300℃; (5)Storage Temperature (TS): –65℃ to 150℃; (6)Rate of Rise (VCC): 100V/μs; (7)ESD Rating(3): 3kV (SC70 Package).
Features
MIC841NYC5 features: (1)Precision voltage monitor for 3V, 3.3V or 5V power supplies; (2)/RESET remains valid with VCC as low as 1.4V for SOT- 23 packaged part; (3)/RESET remains valid with VCC as low as 1V for SC70 packaged part; (4)Typically less than15μA supply current for SOT-23 packaged part; (5)5μ typical supply current for SC70 packaged part; (6)140ms minimum reset pulse widths available; (7)Available in 3-pin SOT-23 and SC-70 package.
Diagrams

| Image | Part No | Mfg | Description | ![]() |
Pricing (USD) |
Quantity | ||||||||||||||||
|---|---|---|---|---|---|---|---|---|---|---|---|---|---|---|---|---|---|---|---|---|---|---|
![]() |
![]() MIC841NYC5 TR |
![]() |
![]() IC COMPARATOR W/REFERENCE SC70-5 |
![]() Data Sheet |
![]()
|
|
||||||||||||||||
| Image | Part No | Mfg | Description | ![]() |
Pricing (USD) |
Quantity | ||||||||||||||||
![]() |
![]() MIC803-26D2VC3 TR |
![]() |
![]() IC MPU SUPERVISOR SC70-3 |
![]() Data Sheet |
![]()
|
|
||||||||||||||||
![]() |
![]() MIC803-26D2VM3 TR |
![]() |
![]() IC MPU SUPERVISOR SOT-23-3 |
![]() Data Sheet |
![]()
|
|
||||||||||||||||
![]() |
![]() MIC803-26D3VC3 TR |
![]() |
![]() IC MPU SUPERVISOR SC70-3 |
![]() Data Sheet |
![]()
|
|
||||||||||||||||
![]() |
![]() MIC803-26D3VM3 TR |
![]() |
![]() IC MPU SUPERVISOR SOT-23-3 |
![]() Data Sheet |
![]()
|
|
||||||||||||||||
![]() |
![]() MIC803-26D4VC3 TR |
![]() |
![]() IC MPU SUPERVISOR SC70-3 |
![]() Data Sheet |
![]()
|
|
||||||||||||||||
![]() |
![]() MIC803-26D4VM3 TR |
![]() |
![]() IC MPU SUPERVISOR SOT-23-3 |
![]() Data Sheet |
![]()
|
|
||||||||||||||||
(Hong Kong)











