Product Summary
The MCP73832T-2ACI/OT is a highly advanced linear charge management controller for use in space-limited, cost-sensitive applications. The MCP73832T-2ACI/OT is available in an 8-Lead, 2 mm x 3 mm DFN package or a 5-Lead, SOT-23 package. Along with their small physical size, the low number of external components required make the MCP73832T-2ACI/OT ideally suited for portable applications. For applications charging from a USB port, the device adhere to all the specifications governing the USB power bus. The applications of the MCP73832T-2ACI/OT are Lithium-Ion/Lithium-Polymer Battery Chargers, Personal Data Assistants, Cellular Telephones, Digital Cameras, MP3 Players, Bluetooth Headsets, USB Chargers.
Parametrics
MCP73832T-2ACI/OT absolute maximum ratings: (1)VDD:7.0V; (2)All Inputs and Outputs w.r.t. VSS:-0.3 to (VDD+0.3)V; (3)Maximum Junction Temperature, TJ:Internally Limited; (4)Storage temperature:-65℃ to +150℃; (5)ESD protection on all pins: Human Body Model (1.5 kΩ in Series with 100 pF):≥ 4kV, Machine Model (200 pF, No Series Resistance):400V.
Features
MCP73832T-2ACI/OT features: (1)Linear Charge Management Controller:Integrated Pass Transistor, Integrated Current Sense, Reverse Discharge Protection; (2)High Accuracy Preset Voltage Regulation:± 0.75% ; (3)Four Voltage Regulation Options:4.20V, 4.35V, 4.40V, 4.50V; (4)Programmable Charge Current: 15 mA to 500 mA; (5)Selectable Preconditioning:10%, 20%, 40%, or Disable; (6)Selectable End-of-Charge Control:5%, 7.5%, 10%, or 20%; (7)Charge Status Output:Open-Drain Output; (8)Automatic Power-Down; (9)Thermal Regulation; (10)Temperature Range: -40℃ to +85℃; (11)Packaging:8-Lead, 2 mm x 3 mm DFN, 5-Lead, SOT-23.
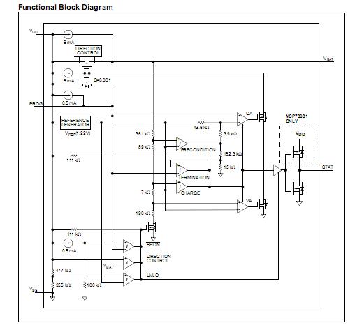
Diagrams

| Image | Part No | Mfg | Description | ![]() |
Pricing (USD) |
Quantity | ||||||||||||
|---|---|---|---|---|---|---|---|---|---|---|---|---|---|---|---|---|---|---|
![]() |
![]() MCP73832T-2ACI/OT |
![]() Microchip Technology |
![]() Battery Management Charge mgnt contr |
![]() Data Sheet |
![]()
|
|
||||||||||||
| Image | Part No | Mfg | Description | ![]() |
Pricing (USD) |
Quantity | ||||||||||||
![]() |
![]() MCP73113 |
![]() Other |
![]() |
![]() Data Sheet |
![]() Negotiable |
|
||||||||||||
![]() |
![]() MCP73113-06SI/MF |
![]() Microchip Technology |
![]() Battery Management Single cell OVP battery Charger |
![]() Data Sheet |
![]()
|
|
||||||||||||
![]() |
![]() MCP73113-16SI/MF |
![]() Microchip Technology |
![]() Battery Management Single cell OVP battery Charger |
![]() Data Sheet |
![]()
|
|
||||||||||||
![]() |
![]() MCP73113EV-1SOVP |
![]() Microchip Technology |
![]() Power Management IC Development Tools MCP73113 OVP sngl Eval Board |
![]() Data Sheet |
![]()
|
|
||||||||||||
![]() |
![]() MCP73113T-06SI/MF |
![]() Microchip Technology |
![]() Battery Management Single cell OVP battery Charger |
![]() Data Sheet |
![]()
|
|
||||||||||||
![]() |
![]() MCP73113T-16SI/MF |
![]() Microchip Technology |
![]() Battery Management Single cell OVP battery Charger |
![]() Data Sheet |
![]()
|
|
||||||||||||
(Hong Kong)










