Product Summary
The MBM29LV016T/B is a 16M-bit, 3.0 V-only Flash memory organized as 2M bytes of 8 bits each. The
MBM29LV016T/B is offered in a 40-pin TSOP packages. The device is designed to be programmed in-system
with the standard system 3.0 V VCC supply. 12.0 V VPP and 5.0 V VCC are not required for write or erase operations.
The device can also be reprogrammed in standard EPROM programmers
Features
Single 3.0 V read, program and erase
Minimizes system level power requirements
? Compatible with JEDEC-standard commands
Uses same software commands as E2PROMs
? Compatible with JEDEC-standard world-wide pinouts
40-pin TSOP (I) (Package suffix: PTN-Normal Bend Type, PTR-Reversed Bend Type)
? Minimum 100,000 program/erase cycles
? High performance
80 ns maximum access time
? Sector erase architecture
One 16K byte, two 8K bytes, one 32K byte, and thirty-one 64K byte sectors in byte mode
Any combination of sectors can be concurrently erased. Also supports full chip erase
? Boot Code Sector Architecture
T = Top sector
B = Bottom sector
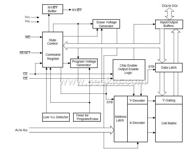
Diagrams

(Hong Kong)






