Product Summary
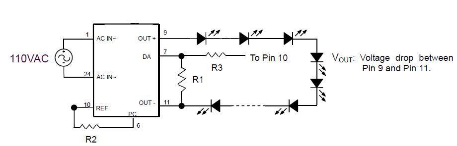
The MBI6903 is a high efficiency buck-boost AC/DC controller designed to deliver constant output current. The input voltage range of the MBI6903 application is universal from 85VAC to 265VAC. It is featured by a PWM control scheme. The applications of the MBI6903 include LED Lamps, LED Sign and Channel Letter, Indication Sign, Low Power LEDs Lighting, < 1.5W.
Parametrics
MBI6903 absolute maximum ratings: (1)AC Input Voltage: 400V, transient; (2)Power Dissipation: 1.5 W; (3)Junction Temperature: 120℃.
Features
MBI6903 features: (1)Directly powered by 110 VAC; (2)Constant output current and Transformerless, 18 mA; (3)Drive one chain of LEDs, VOUT up to 60 V while applying 110V AC; (4)Reliable technology; (5)Small footprint 24-pin SOP24 package.
Diagrams

(Hong Kong)






