Product Summary
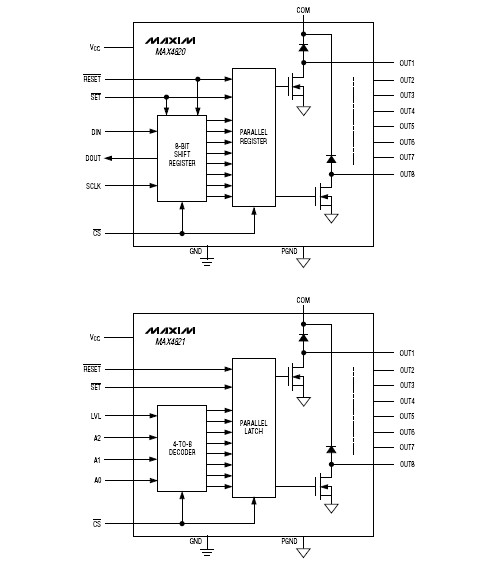
The MAX4820EUP is a Cascadable Relay Driver. The MAX4820EUP 8-channel relay drivers offer built-in kickback protection and drive +3.3V/+5V nonlatching or dual-coil-latching relays. The MAX4820EUP is especially useful when driving +3V relays. Each independent open-drain output features a 2Ω on-resistance and is guaranteed to sink 70mA (min) of load current. Each data bit in the shift register corresponds to a specific output, allowing independent control of all outputs. The MAX4820EUP features a 4-bit (A0, A1, A2, LVL) parallel- input interface. The first three bits (A0, A1, A2) determine the output address, and the fourth bit (LVL) determines whether the selected output is switched on or off. Data is latched to the outputs when CS transitions from low to high. The applications of the MAX4820EUP include Central Office, ATE, DSL, ADSL Line Cards, Industrial Equipment and E1/T1 Redundancy.
Parametrics
MAX4820EUP absolute maximum ratings: (1)VCC, COM: -0.3V to +6.0V; (2)OUT: -0.3V to (VCOM + 0.3V); (3)CS, SCLK, DIN, SET, RESET, A0, A1, A2, LVL: -0.3V to +6.0V; (4)DOUT: -0.3V to (VCC + 0.3V); (5)Continuous OUT_ Current (all outputs turned on): 150mA; (6)Continuous OUT_ Current (single output turned on): 300mA; (7)20-Lead Thin QFN (derate 16.9mW/℃ above +70℃): 1350mW; (8)θJA (Note 1): 59.3℃/W; (9)20-Pin TSSOP (derate 21.7mW/℃ above +70℃): 1739mW; (10)θJA (Note 1): 46℃/W; (11)Operating Temperature Range: -40℃ to +85℃; (12)Junction Temperature: +150℃; (13)Storage Temperature Range: -65℃ to +150℃; (14)Soldering Temperature (10s): +300℃; (15)Reflow Temperature: +260℃.
Features
MAX4820EUP features: (1)8 Independent Output Channels; (2)Built-In Inductive Kickback Protection; (3)Drive +3V and +5V Relays; (4)Guaranteed 70mA (min) Coil Drive Current; (5)SET Function to Turn On All Outputs Simultaneously; (6)RESET Function to Turn Off All Outputs Simultaneously; (7)SPI-/QSPI-/MICROWIRE-Compatible Serial Interface (MAX4820); (8)Serial Digital Output for Daisy Chaining (MAX4820); (9)Parallel Interface (MAX4821); (10)Space-Saving 20-Pin Thin QFN Package.
Diagrams

| Image | Part No | Mfg | Description | ![]() |
Pricing (USD) |
Quantity | ||||||||||||
|---|---|---|---|---|---|---|---|---|---|---|---|---|---|---|---|---|---|---|
![]() |
![]() MAX4820EUP |
![]() Maxim Integrated Products |
![]() Power Driver ICs |
![]() Data Sheet |
![]() Negotiable |
|
||||||||||||
![]() |
![]() MAX4820EUP+ |
![]() Maxim Integrated Products |
![]() Power Driver ICs 3.3-5V 8Ch Cascade Relay Driver |
![]() Data Sheet |
![]()
|
|
||||||||||||
![]() |
![]() MAX4820EUP+T |
![]() Maxim Integrated Products |
![]() Power Driver ICs 3.3-5V 8Ch Cascade Relay Driver |
![]() Data Sheet |
![]()
|
|
||||||||||||
![]() |
![]() MAX4820EUP-T |
![]() Maxim Integrated Products |
![]() Power Driver ICs |
![]() Data Sheet |
![]() Negotiable |
|
||||||||||||
(Hong Kong)










