Product Summary
The MAX4375FEUB+T is a High-Side Current-Sense Amplifier. The MAX4375FEUB+T contains a highside current-sense amplifier, bandgap reference, and comparator with latching output. It features a voltage output that eliminates the need for gain-setting resistors, making them ideal for today’s notebook computers, cell phones, and other systems where battery/DC current monitoring is critical. High-side current monitoring is especially useful in battery-powered systems since it does not interfere with the ground path of the battery charger. The 0 to +28V input common-mode range is independent of the supply voltage, which ensures that the current-sense feedback remains viable even when connected to a battery pack in deep discharge. The applications of the MAX4375FEUB+T include Notebook Computers, Portable/Battery-Powered Systems, Smart Battery Packs/Chargers, Cell Phones, Power-Management Systems, General-System/Board-Level Current Monitoring and Precision Current Sources.
Parametrics
MAX4375FEUB+T absolute maximum ratings: (1)VCC, RS+, RS- to GND: -0.3V to +30V; (2)OUT to GND: -0.3V to the lesser of (VCC + 0.3V) or +15V; (3)CIN1, CIN2, RESET to GND: -0.3V to the lesser of (VCC + 0.3V) or +12V; (4)Differential Input Voltage (VRS+ - VRS-): ±0.3V; (5)COUT1, COUT2 to GND: -0.3V to +6.0V; (6)Current into Any Pin: ±10mA; (7)Continuous Power Dissipation (TA = +70℃): 330mW; (8)Operating Temperature Range: -40℃ to +85℃; (9)Junction Temperature: +150℃; (10)Storage Temperature Range: -65℃ to +150℃; (11)Lead Temperature (soldering, 10s): +300℃.
Features
MAX4375FEUB+T features: (1)Current-Sense Amplifier plus Internal Comparator and Bandgap Reference; (2)50μA Supply Current; (3)Single +2.7V to +28V Operating Supply; (4)0.66% Full-Scale Accuracy; (5)Internal Bandgap Reference; (6)Latching Comparator Output; (7)Three Gain Versions Available (+20V/V, +50V/V, +100V/V); (8)Wide 0 to +28V Common-Mode Range, Independent of Supply Voltage.
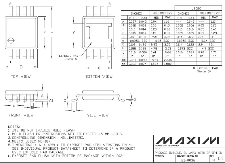
Diagrams

| Image | Part No | Mfg | Description | ![]() |
Pricing (USD) |
Quantity | ||||||||||||
|---|---|---|---|---|---|---|---|---|---|---|---|---|---|---|---|---|---|---|
![]() |
![]() MAX4375FEUB+T |
![]() Maxim Integrated Products |
![]() Current Sense Amplifiers uPower High-Side Current-Sense Amp |
![]() Data Sheet |
![]()
|
|
||||||||||||
| Image | Part No | Mfg | Description | ![]() |
Pricing (USD) |
Quantity | ||||||||||||
![]() |
![]() MAX4000 |
![]() Other |
![]() |
![]() Data Sheet |
![]() Negotiable |
|
||||||||||||
![]() |
![]() MAX4000EBL+T |
![]() Maxim Integrated Products |
![]() RF Detector 2.5GHz 45dB RF Detecting Ctlr |
![]() Data Sheet |
![]()
|
|
||||||||||||
![]() |
![]() MAX4000EBL-T |
![]() Maxim Integrated Products |
![]() RF Detector |
![]() Data Sheet |
![]() Negotiable |
|
||||||||||||
![]() |
![]() MAX4000EUA |
![]() Maxim Integrated Products |
![]() RF Detector 2.5GHz 45dB RF Detecting Ctlr |
![]() Data Sheet |
![]()
|
|
||||||||||||
![]() |
![]() MAX4000EUA+ |
![]() Maxim Integrated Products |
![]() RF Detector 2.5GHz 45dB RF Detecting Ctlr |
![]() Data Sheet |
![]()
|
|
||||||||||||
![]() |
![]() MAX4000EUA+T |
![]() Maxim Integrated Products |
![]() RF Detector 2.5GHz 45dB RF Detecting Ctlr |
![]() Data Sheet |
![]()
|
|
||||||||||||
(Hong Kong)










