Product Summary
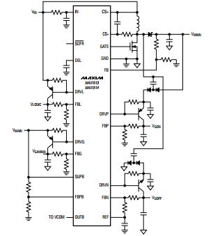
The MAX1513ETP is a power-supply controller which provides complete power-supply solutions for active-matrix thin-film transistor (TFT) liquid-crystal displays (LCDs). Both devices include a high-performance step-up regulator controller, three linear-regulator controllers, and an adjustable delay block for startup sequencing. The MAX1513ETP includes an additional linear-regulator controller and a high-performance buffer amplifier. The MAX1513ETP can operate from 2.7V to 5.5V input supplies and provide overload protection with timer delay latch on all the regulated outputs. Applications include Notebook Computer Displays, LCD Monitors and TVs and Automotive Displays.
Parametrics
MAX1513ETP aboslute maximum ratings: (1)DEL, GATE, REF to GND: -0.3V to (VIN+0.3V); (2)SUPB to GND: -0.3V to +14V; (3)OUTB, FBPB to GND: -0.3V to (VSUPB+0.3V); (4)DRVP, DRVG, DRVL to GND: -0.3V to +30V; (5)DRVN to GND: (VIN-28V) to (VIN+0.3V); (6)OUTB Continuous Output Current: ±75mA; (7)Operating Temperature Range: -40℃ to +85℃; (8)Junction Temperature: .+150℃; (9)Storage Temperature Range: -65℃ to +150℃; (10)Lead Temperature (soldering, 10s): +300℃.
Features
MAX1513ETP features: (1)2.7V to 5.5V Input Supply Range; (2)Input-Supply Undervoltage Lockout; (3)Current-Mode Step-Up Controller; (4)Linear-Regulator Controllers for VGON, VGOFF; (5)Linear-Regulator Controller for Logic Supply; (6)High-Performance Buffer Amplifier; (7)Additional Linear-Regulator Controller; (8)Power-Up Sequence and VGON Delay Control; (9)VMAIN, VGON, VGOFF, VGAMMA Shutdown Control; (10)Timer-Delay Fault Latch for All Outputs; (11)Thermal-Overload Protection
Diagrams

| Image | Part No | Mfg | Description | ![]() |
Pricing (USD) |
Quantity | ||||||||||||
|---|---|---|---|---|---|---|---|---|---|---|---|---|---|---|---|---|---|---|
![]() |
![]() MAX1513ETP+T |
![]() Maxim Integrated Products |
![]() Display Drivers & Controllers TFT-LCD Power Supply Controller |
![]() Data Sheet |
![]()
|
|
||||||||||||
![]() |
![]() MAX1513ETP-T |
![]() Maxim Integrated Products |
![]() Display Drivers & Controllers |
![]() Data Sheet |
![]() Negotiable |
|
||||||||||||
![]() |
![]() MAX1513ETP+ |
![]() Maxim Integrated Products |
![]() Display Drivers & Controllers TFT-LCD Power Supply Controller |
![]() Data Sheet |
![]()
|
|
||||||||||||
![]() |
![]() MAX1513ETP |
![]() Maxim Integrated Products |
![]() Display Drivers & Controllers |
![]() Data Sheet |
![]() Negotiable |
|
||||||||||||
(Hong Kong)










