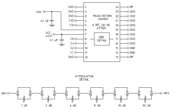
Product Summary
The MAAD-007086-000100 is a GaAs FET 6-bit digital attenuator with a 1 dB minimum step size and a 50 dB total attenuation range. This device is in a SOW-24, wide body plastic surface mount package. The MAAD-007086-000100 is ideally suited for use where accuracy, fast speed, very low power consumption and low costs are required.
Parametrics
MAAD-007086-000100 absolute maixmum ratings: (1)Max. Input Power, 0.05 GHz: +27 dBm; 0.5 - 2.0 GHz: +34 dBm; (2)VCC: -0.5V ≤ VCC ≤ +7.0V; (3)VEE: -8.5V ≤ VEE ≤ +0.5V; (4)VCC - VEE: -0.5V ≤ VCC - VEE ≤ 14.5V; (5)Vin: -0.5V ≤ Vin ≤ VCC + 0.5V; (6)Operating Temperature: -40℃ to +85℃; (7)Storage Temperature: -65℃ to +125℃.
Features
MAAD-007086-000100 features: (1)Attenuation: 1 dB Steps to 50 dB; (2)Low DC Power Consumption; (3)Integral TTL Driver; (4)50 ohm Impedance; (5)Test Boards are Available; (6)Tape and Reel Packaging Available; (7)Lead-Free SOW-24 Package; (8)100% Matte Tin Plating over Copper; (9)Halogen-Free Green Mold Compound; (10)260℃ Reflow Compatible; (11)RoHS Compliant Version of AT65-0106.
Diagrams

(Hong Kong)





